- Бренды спецтехники
-
SDLG
- Автогрейдеры SDLG
- Катки SDLG
-
Фронтальные погрузчики SDLG
- SDLG LG953N
- SDLG L956F
- SDLG L956FH
- SDLG LG936L NEW
- SDLG LG936L 2019
- SDLG LG953 NEW
- SDLG LG956V NEW
- SDLG LG952L
- SDLG LG933L
- SDLG LG953L
- SDLG LG936
- SDLG LG933
- SDLG LG952
- SDLG LG952H
- SDLG LG936L
- SDLG LG938
- SDLG LG938L
- SDLG LG952H NEW
- SDLG LG953
- SDLG LG956L
- SDLG LG958L
- SDLG LG968
- SDLG LG918 II
- SDLG LG918
- SDLG LG956V
- SDLG LG969
- SDLG LG944 MSK
- SDLG LG946L
- SDLG LG968F
- Экскаваторы SDLG
- Экскаваторы-погрузчики SDLG
-
China-Motors
- Автогрейдеры China-Motors
- Автокраны China-Motors
- Асфальтоукладчики China-Motors
- Бульдозеры China-Motors
- Катки China-Motors
-
Фронтальные погрузчики China-Motors
- China-Motors LW330F
- China-Motors LW300KN
- China-Motors LW500F
- China-Motors LW560F
- China-Motors ZL50G
- China-Motors LW300F (V2)
- China-Motors LW300F
- China-Motors ZL30G
- China-Motors LW321F
- China-Motors ZL50G NEW
- China-Motors ZL50GL
- China-Motors LW550RU
- China-Motors LW500FN
- China-Motors LW500KN
- China-Motors LW166
- Экскаваторы-погрузчики China-Motors
- Shantui
- XGMA
- Liugong
- SEM (Shandong)
- Changlin
- Doosan
- Hyundai
- Mitsuber
- Peng Pu
- Shehwa
- Yituo (Luoyang)
- Zoomlion
- Tota
- Long Gong
- Chenggong
- Lonking
- Foton
- Schopf
- YTO
- Типы спецтехники
- Бульдозеры
- Автокраны
- Асфальтоукладчики
- Грейдеры и Автогрейдеры
- Катки
- Фронтальные погрузчики
- Экскаваторы
- Экскаваторы-погрузчики
- Двигатели
- Стартеры для спецтехники
- Запчасти для Двигателей
- Huafengdongli
- Weichai
- Weichai-Deutz
- Cummins
- Shanghai
-
Yuchai
- Yuchai YC4112ZQ/ZLQ
- Yuchai YC4D (D0800)
- Yuchai YC4D80-T10(D7019)
- Yuchai YC4E140-30 (E24FB)
- Yuchai YC4G180-20 (G08LA)
- Yuchai YC6108G (B7615)
- Yuchai YC6B125-T10 (B7662)
- Yuchai YC6B125-T11 (B7615-T2)
- Yuchai YC6G240-30 (G60SA)
- Yuchai YC6J245-30 (J61LA)
- Yuchai YC6L260-30 (L41AA-T6)
- Yuchai YC6M220G (M3020)
- Yuchai YC4108G
- Yuchai YC6108,YC6J125Z
- КПП и Мосты
- Dana-Spicer
- Ремонт
- Техобслуживание спецтехники
- Ремонт спецтехники
- Главная
- Каталог
- Бренды
- China-Motors
- LW500KN
Каталог запчастей на фронтальный погрузчик LW500KN
- Воздухосборник

- Выпариватель в сборе (CDKT87 II-010)

- Гидробак

- Гидросистема поворота

- Гидросистема поворота (252907097)

- Задний передаточный вал (252900465)

- Задняя рама

- Заливная труба передней рамы в сборе

- Кабина 1

- Кабина 2

- Капот машины

- Клапан-ограничитель
![Клапан-ограничитель Клапан-ограничитель]()
- Ковш для пород (зубья 3.0) 253000540
![Ковш для пород (зубья 3.0) 253000540 Ковш для пород (зубья 3.0) 253000540]()
- Ковш для пород (Зубья сварочной втулки гнезда 3.0) 252109208
![Ковш для пород (Зубья сварочной втулки гнезда 3.0) 252109208 Ковш для пород (Зубья сварочной втулки гнезда 3.0) 252109208]()
- Ковш-лопата (Модель рудничного типа (2.5) 252110032
![Ковш-лопата (Модель рудничного типа (2.5) 252110032 Ковш-лопата (Модель рудничного типа (2.5) 252110032]()
- Ковш-лопата легкого материала (3.5) 253000542
![Ковш-лопата легкого материала (3.5) 253000542 Ковш-лопата легкого материала (3.5) 253000542]()
- Ковш-лопата легкого материала (4.0) 252904851
![Ковш-лопата легкого материала (4.0) 252904851 Ковш-лопата легкого материала (4.0) 252904851]()
- Ковш-лопата легкого материала (4.5) 253000543
![Ковш-лопата легкого материала (4.5) 253000543 Ковш-лопата легкого материала (4.5) 253000543]()
- Ковш-лопата легкого материала (5.0) 252904836
![Ковш-лопата легкого материала (5.0) 252904836 Ковш-лопата легкого материала (5.0) 252904836]()
- Ковш-лопата стандартной компоновки (2.7) 253000538
![Ковш-лопата стандартной компоновки (2.7) 253000538 Ковш-лопата стандартной компоновки (2.7) 253000538]()
- Ковш-лопата стандартной компоновки (3.0) 253000506
![Ковш-лопата стандартной компоновки (3.0) 253000506 Ковш-лопата стандартной компоновки (3.0) 253000506]()
- Контроллер тормоза
![Контроллер тормоза Контроллер тормоза]()
- Магистраль радиатора гидравлического масла
![Магистраль радиатора гидравлического масла Магистраль радиатора гидравлического масла]()
- Магистраль радиатора масла двойного переключения
![Магистраль радиатора масла двойного переключения Магистраль радиатора масла двойного переключения]()
- Маслоцилиндр правой стрелы (803013064)
![Маслоцилиндр правой стрелы (803013064) Маслоцилиндр правой стрелы (803013064)]()
- Масляный цилиндр левой стрелы (803013063)
![Масляный цилиндр левой стрелы (803013063) Масляный цилиндр левой стрелы (803013063)]()
- Монтаж ведущего моста и передаточного вала
![Монтаж ведущего моста и передаточного вала Монтаж ведущего моста и передаточного вала]()
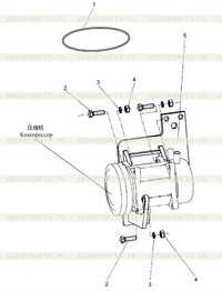
- Монтаж компрессора
![Монтаж компрессора Монтаж компрессора]()
- Монтаж компрессора (SHANGCHAI)
![Монтаж компрессора (SHANGCHAI) Монтаж компрессора (SHANGCHAI)]()
- Монтаж фильтра
![Монтаж фильтра Монтаж фильтра]()
- Опора в сборе
![Опора в сборе Опора в сборе]()
- Педаль газа в сборе
![Педаль газа в сборе Педаль газа в сборе]()
- Передний передаточный вал (252900463)
![Передний передаточный вал (252900463) Передний передаточный вал (252900463)]()
- Передняя рама
![Передняя рама Передняя рама]()
- Перечень деталей периодического техобслуживания (SHANGCHAI)
![Перечень деталей периодического техобслуживания (SHANGCHAI) Перечень деталей периодического техобслуживания (SHANGCHAI)]()
- Перечень деталей периодического техобслуживания (WEICHAI)
![Перечень деталей периодического техобслуживания (WEICHAI) Перечень деталей периодического техобслуживания (WEICHAI)]()
- Промежуточный передаточный вал (252900464)
![Промежуточный передаточный вал (252900464) Промежуточный передаточный вал (252900464)]()
- Рабочая гидравлическая система (252901307)
![Рабочая гидравлическая система (252901307) Рабочая гидравлическая система (252901307)]()
- Рабочая гидравлическая система (252907549)
![Рабочая гидравлическая система (252907549) Рабочая гидравлическая система (252907549)]()
- Рабочая гидросистема (252901307)
![Рабочая гидросистема (252901307) Рабочая гидросистема (252901307)]()
- Рабочая гидросистема (252907398)
![Рабочая гидросистема (252907398) Рабочая гидросистема (252907398)]()
- Рабочая гидросистема 1
![Рабочая гидросистема 1 Рабочая гидросистема 1]()
- Рабочая гидросистема 2
![Рабочая гидросистема 2 Рабочая гидросистема 2]()
- Рабочий рычажный механизм
![Рабочий рычажный механизм Рабочий рычажный механизм]()
- Серво-гидросистема
![Серво-гидросистема Серво-гидросистема]()
- Серво-гидросистема (252901306)
![Серво-гидросистема (252901306) Серво-гидросистема (252901306)]()
- Серво-гидросистема (252901512)
![Серво-гидросистема (252901512) Серво-гидросистема (252901512)]()
- Система вентиляции
![Система вентиляции Система вентиляции]()
- Система двигателя
![Система двигателя Система двигателя]()
- Система двойного переключения
![Система двойного переключения Система двойного переключения]()
- Система кондиционера
![Система кондиционера Система кондиционера]()
- Система централизованного измерения давления
![Система централизованного измерения давления Система централизованного измерения давления]()
- Системы тележки
![Системы тележки Системы тележки]()
- Сопроводительный инструмент
![Сопроводительный инструмент Сопроводительный инструмент]()
- Топливный бак в сборе
![Топливный бак в сборе Топливный бак в сборе]()
- Тормозная магистраль моста
![Тормозная магистраль моста Тормозная магистраль моста]()
- Тормозная система
![Тормозная система Тормозная система]()
- Тормозная система (Альпийски-арктический тип)
![Тормозная система (Альпийски-арктический тип) Тормозная система (Альпийски-арктический тип)]()
- Тормозный клапан ручного управления в сборе
![Тормозный клапан ручного управления в сборе Тормозный клапан ручного управления в сборе]()
- Трехсекционная сервогидросистема
![Трехсекционная сервогидросистема Трехсекционная сервогидросистема]()
- Трехэлементная гидравлическая магистраль
![Трехэлементная гидравлическая магистраль Трехэлементная гидравлическая магистраль]()
- Увеличительный клапан расхода
![Увеличительный клапан расхода Увеличительный клапан расхода]()
- Цилиндр поворотного ковша
![Цилиндр поворотного ковша Цилиндр поворотного ковша]()
- Электросистема 252907130
![Электросистема 252907130 Электросистема 252907130]()




















































