- Бренды спецтехники
-
SDLG
- Автогрейдеры SDLG
- Катки SDLG
-
Фронтальные погрузчики SDLG
- SDLG LG953N
- SDLG L956F
- SDLG L956FH
- SDLG LG936L NEW
- SDLG LG936L 2019
- SDLG LG953 NEW
- SDLG LG956V NEW
- SDLG LG952L
- SDLG LG933L
- SDLG LG953L
- SDLG LG936
- SDLG LG933
- SDLG LG952
- SDLG LG952H
- SDLG LG936L
- SDLG LG938
- SDLG LG938L
- SDLG LG952H NEW
- SDLG LG953
- SDLG LG956L
- SDLG LG958L
- SDLG LG968
- SDLG LG918 II
- SDLG LG918
- SDLG LG956V
- SDLG LG969
- SDLG LG944 MSK
- SDLG LG946L
- SDLG LG968F
- Экскаваторы SDLG
- Экскаваторы-погрузчики SDLG
-
China-Motors
- Автогрейдеры China-Motors
- Автокраны China-Motors
- Асфальтоукладчики China-Motors
- Бульдозеры China-Motors
- Катки China-Motors
-
Фронтальные погрузчики China-Motors
- China-Motors LW330F
- China-Motors LW300KN
- China-Motors LW500F
- China-Motors LW560F
- China-Motors ZL50G
- China-Motors LW300F (V2)
- China-Motors LW300F
- China-Motors ZL30G
- China-Motors LW321F
- China-Motors ZL50G NEW
- China-Motors ZL50GL
- China-Motors LW550RU
- China-Motors LW500FN
- China-Motors LW500KN
- China-Motors LW166
- Экскаваторы-погрузчики China-Motors
- Shantui
- XGMA
- Liugong
- SEM (Shandong)
- Changlin
- Doosan
- Hyundai
- Mitsuber
- Peng Pu
- Shehwa
- Yituo (Luoyang)
- Zoomlion
- Tota
- Long Gong
- Chenggong
- Lonking
- Foton
- Schopf
- YTO
- Типы спецтехники
- Бульдозеры
- Автокраны
- Асфальтоукладчики
- Грейдеры и Автогрейдеры
- Катки
- Фронтальные погрузчики
- Экскаваторы
- Экскаваторы-погрузчики
- Двигатели
- Стартеры для спецтехники
- Запчасти для Двигателей
- Huafengdongli
- Weichai
- Weichai-Deutz
- Cummins
- Shanghai
-
Yuchai
- Yuchai YC4112ZQ/ZLQ
- Yuchai YC4D (D0800)
- Yuchai YC4D80-T10(D7019)
- Yuchai YC4E140-30 (E24FB)
- Yuchai YC4G180-20 (G08LA)
- Yuchai YC6108G (B7615)
- Yuchai YC6B125-T10 (B7662)
- Yuchai YC6B125-T11 (B7615-T2)
- Yuchai YC6G240-30 (G60SA)
- Yuchai YC6J245-30 (J61LA)
- Yuchai YC6L260-30 (L41AA-T6)
- Yuchai YC6M220G (M3020)
- Yuchai YC4108G
- Yuchai YC6108,YC6J125Z
- КПП и Мосты
- Dana-Spicer
- Ремонт
- Техобслуживание спецтехники
- Ремонт спецтехники
Каталог запчастей на бульдозер Shantui SD26
- Air conditioning system

- Battery

- Bevel gear and shaft

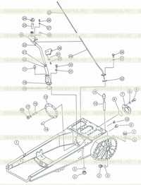
- Blade control linkage

- Blade control linkage 2

- Blade lift and tilt control valve 1

- Blade lift and tilt control valve 2

- Blade lift cylinder (left)

- Blade lift cylinder (right)

- Blade lift piping 1

- Blade lift piping 2

- Bottom guard plate (with WP12 engine)
![Bottom guard plate (with WP12 engine) Bottom guard plate (with WP12 engine)]()
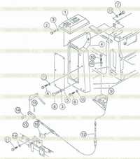
- Brake and linkage
![Brake and linkage Brake and linkage]()
- Brake case cover
![Brake case cover Brake case cover]()
- Brake parking lever
![Brake parking lever Brake parking lever]()
- Brake pedal
![Brake pedal Brake pedal]()
- Break piping
![Break piping Break piping]()
- Cab assembly
![Cab assembly Cab assembly]()
- Cab assembly electrical system (foreign)
![Cab assembly electrical system (foreign) Cab assembly electrical system (foreign)]()
- Cab interior
![Cab interior Cab interior]()
- Carrier roller
![Carrier roller Carrier roller]()
- Coarse strainer ass'y
![Coarse strainer ass'y Coarse strainer ass'y]()
- Control lever bracket and valve seat
![Control lever bracket and valve seat Control lever bracket and valve seat]()
- Engine and attachment mounting (for engine wp12)
![Engine and attachment mounting (for engine wp12) Engine and attachment mounting (for engine wp12)]()
- Engine electrical system (for engine WP12) (foreign)
![Engine electrical system (for engine WP12) (foreign) Engine electrical system (for engine WP12) (foreign)]()
- Engine electrical system (for engine WP12) 1
![Engine electrical system (for engine WP12) 1 Engine electrical system (for engine WP12) 1]()
- Engine electrical system (for engine WP12) 2
![Engine electrical system (for engine WP12) 2 Engine electrical system (for engine WP12) 2]()
- Ether starting device
![Ether starting device Ether starting device]()
- Fan
![Fan Fan]()
- Final drive case and gear 1
![Final drive case and gear 1 Final drive case and gear 1]()
- Final drive case and gear 2
![Final drive case and gear 2 Final drive case and gear 2]()
- Floor plate and fender (with standard cab) (with single shank ripper) 1
![Floor plate and fender (with standard cab) (with single shank ripper) 1 Floor plate and fender (with standard cab) (with single shank ripper) 1]()
- Floor plate and fender (with standard cab) (with single shank ripper) 2
![Floor plate and fender (with standard cab) (with single shank ripper) 2 Floor plate and fender (with standard cab) (with single shank ripper) 2]()
- Floor plate and fender (with standard cab) (with single shank ripper) 3
![Floor plate and fender (with standard cab) (with single shank ripper) 3 Floor plate and fender (with standard cab) (with single shank ripper) 3]()
- Floor plate and fender (with standard cab) (with single shank ripper) 4
![Floor plate and fender (with standard cab) (with single shank ripper) 4 Floor plate and fender (with standard cab) (with single shank ripper) 4]()
- Floor plate and fender (with standard cab) (with three shank ripper) 1
![Floor plate and fender (with standard cab) (with three shank ripper) 1 Floor plate and fender (with standard cab) (with three shank ripper) 1]()
- Floor plate and fender (with standard cab) (with three shank ripper) 2
![Floor plate and fender (with standard cab) (with three shank ripper) 2 Floor plate and fender (with standard cab) (with three shank ripper) 2]()
- Floor plate and fender (with standard cab) (with three shank ripper) 3
![Floor plate and fender (with standard cab) (with three shank ripper) 3 Floor plate and fender (with standard cab) (with three shank ripper) 3]()
- Floor plate and fender (with standard cab) (with three shank ripper) 4
![Floor plate and fender (with standard cab) (with three shank ripper) 4 Floor plate and fender (with standard cab) (with three shank ripper) 4]()
- Floor plate and fender (with standard cab) (with traction frame) 1
![Floor plate and fender (with standard cab) (with traction frame) 1 Floor plate and fender (with standard cab) (with traction frame) 1]()
- Floor plate and fender (with standard cab) (with traction frame) 2
![Floor plate and fender (with standard cab) (with traction frame) 2 Floor plate and fender (with standard cab) (with traction frame) 2]()
- Floor plate and fender (with standard cab) (with traction frame) 3
![Floor plate and fender (with standard cab) (with traction frame) 3 Floor plate and fender (with standard cab) (with traction frame) 3]()
- Floor plate and fender (with standard cab) (with traction frame) 4
![Floor plate and fender (with standard cab) (with traction frame) 4 Floor plate and fender (with standard cab) (with traction frame) 4]()
- Front idler
![Front idler Front idler]()
- Fuel tank and piping (for engine WP12)
![Fuel tank and piping (for engine WP12) Fuel tank and piping (for engine WP12)]()
- Gear shift lever
![Gear shift lever Gear shift lever]()
- Gear shift piping
![Gear shift piping Gear shift piping]()
- Guard of engine (for engine WP12)
![Guard of engine (for engine WP12) Guard of engine (for engine WP12)]()
- Guard of radiator (for engine WP12)
![Guard of radiator (for engine WP12) Guard of radiator (for engine WP12)]()
- Heater
![Heater Heater]()
- Hydraulic filter
![Hydraulic filter Hydraulic filter]()
- Instrument box (for engine WP12) (foreign)
![Instrument box (for engine WP12) (foreign) Instrument box (for engine WP12) (foreign)]()
- Lift and ripper control linkage
![Lift and ripper control linkage Lift and ripper control linkage]()
- Lubricant track ass'y
![Lubricant track ass'y Lubricant track ass'y]()
- Lubricating and track recoil system
![Lubricating and track recoil system Lubricating and track recoil system]()
- Main frame and steering case
![Main frame and steering case Main frame and steering case]()
- Marks and plates (foreign) 1
![Marks and plates (foreign) 1 Marks and plates (foreign) 1]()
- Marks and plates (foreign) 2
![Marks and plates (foreign) 2 Marks and plates (foreign) 2]()
- Marks and plates (foreign) 3
![Marks and plates (foreign) 3 Marks and plates (foreign) 3]()
- Oil cylinder bracket
![Oil cylinder bracket Oil cylinder bracket]()
- Oil strainer ass'y
![Oil strainer ass'y Oil strainer ass'y]()
- Oil tank 1
![Oil tank 1 Oil tank 1]()
- Oil tank 2
![Oil tank 2 Oil tank 2]()
- Pressure measurement piping system
![Pressure measurement piping system Pressure measurement piping system]()
- Pump piping
![Pump piping Pump piping]()
- Puncher
![Puncher Puncher]()
- Quick drop valve ass'y
![Quick drop valve ass'y Quick drop valve ass'y]()
- Radiator (for engine WP12)
![Radiator (for engine WP12) Radiator (for engine WP12)]()
- Ripper ass'y
![Ripper ass'y Ripper ass'y]()
- Ripper control lever
![Ripper control lever Ripper control lever]()
- Ripper control valve 1
![Ripper control valve 1 Ripper control valve 1]()
- Ripper control valve 2
![Ripper control valve 2 Ripper control valve 2]()
- Ripper lift cylinder 1
![Ripper lift cylinder 1 Ripper lift cylinder 1]()
- Ripper lift cylinder 2
![Ripper lift cylinder 2 Ripper lift cylinder 2]()
- Seat and installation (domestic)
![Seat and installation (domestic) Seat and installation (domestic)]()
- Servo valve 1
![Servo valve 1 Servo valve 1]()
- Servo valve 2
![Servo valve 2 Servo valve 2]()
- Servo valve piping
![Servo valve piping Servo valve piping]()
- Single grouser hydraulic piping 1
![Single grouser hydraulic piping 1 Single grouser hydraulic piping 1]()
- Single grouser hydraulic piping 2
![Single grouser hydraulic piping 2 Single grouser hydraulic piping 2]()
- Single grouser hydraulic piping 3
![Single grouser hydraulic piping 3 Single grouser hydraulic piping 3]()
- Single grouser hydraulic piping 4
![Single grouser hydraulic piping 4 Single grouser hydraulic piping 4]()
- Single grouser hydraulic piping 5
![Single grouser hydraulic piping 5 Single grouser hydraulic piping 5]()
- Single ripper ass'y
![Single ripper ass'y Single ripper ass'y]()
- Sprocket shaft
![Sprocket shaft Sprocket shaft]()
- Steering and brake linkage 1
![Steering and brake linkage 1 Steering and brake linkage 1]()
- Steering and brake linkage 2
![Steering and brake linkage 2 Steering and brake linkage 2]()
- Steering clutch
![Steering clutch Steering clutch]()
- Steering clutch 2
![Steering clutch 2 Steering clutch 2]()
- Steering control lever
![Steering control lever Steering control lever]()
- Steering piping 1
![Steering piping 1 Steering piping 1]()
- Steering piping 2
![Steering piping 2 Steering piping 2]()
- Steering piping 3
![Steering piping 3 Steering piping 3]()
- Steering pump assembly
![Steering pump assembly Steering pump assembly]()
- Steering valve 1
![Steering valve 1 Steering valve 1]()
- Steering valve 2
![Steering valve 2 Steering valve 2]()
- Straight tilt blade
![Straight tilt blade Straight tilt blade]()
- Suspension system
![Suspension system Suspension system]()
- Tank 1
![Tank 1 Tank 1]()
- Tank 2
![Tank 2 Tank 2]()
- Tension device
![Tension device Tension device]()
- Three ripper piping 1
![Three ripper piping 1 Three ripper piping 1]()
- Three ripper piping 2
![Three ripper piping 2 Three ripper piping 2]()
- Tilt control linkage
![Tilt control linkage Tilt control linkage]()
- Tilt cylinder
![Tilt cylinder Tilt cylinder]()
- Tilt piping 1
![Tilt piping 1 Tilt piping 1]()
- Tilt piping 2
![Tilt piping 2 Tilt piping 2]()
- Torque converter housing and valve
![Torque converter housing and valve Torque converter housing and valve]()
- Torque converter piping 1
![Torque converter piping 1 Torque converter piping 1]()
- Torque converter piping 2
![Torque converter piping 2 Torque converter piping 2]()
- Track ass'y
![Track ass'y Track ass'y]()
- Track frame ass'y
![Track frame ass'y Track frame ass'y]()
- Track frame cover
![Track frame cover Track frame cover]()
- Track roller
![Track roller Track roller]()
- Track roller guard
![Track roller guard Track roller guard]()
- Traction frame
![Traction frame Traction frame]()
- Transfer case
![Transfer case Transfer case]()
- Transmission case
![Transmission case Transmission case]()
- Transmission control linkage 1
![Transmission control linkage 1 Transmission control linkage 1]()
- Transmission control linkage 2
![Transmission control linkage 2 Transmission control linkage 2]()
- Transmission control linkage 3
![Transmission control linkage 3 Transmission control linkage 3]()
- Transmission control valve 1
![Transmission control valve 1 Transmission control valve 1]()
- Transmission control valve 2
![Transmission control valve 2 Transmission control valve 2]()
- Transmission control valve 3
![Transmission control valve 3 Transmission control valve 3]()
- Transmission gear and shaft 1
![Transmission gear and shaft 1 Transmission gear and shaft 1]()
- Transmission gear and shaft 2
![Transmission gear and shaft 2 Transmission gear and shaft 2]()
- Transmission gear and shaft 3
![Transmission gear and shaft 3 Transmission gear and shaft 3]()
- Transmission pump
![Transmission pump Transmission pump]()
- Transmission transfer
![Transmission transfer Transmission transfer]()
- Turbine shaft and guide pulley
![Turbine shaft and guide pulley Turbine shaft and guide pulley]()
- Universal joint assy
![Universal joint assy Universal joint assy]()
- Valve
![Valve Valve]()
- Warm system
![Warm system Warm system]()

























































































































