- Бренды спецтехники
-
SDLG
- Автогрейдеры SDLG
- Катки SDLG
-
Фронтальные погрузчики SDLG
- SDLG LG953N
- SDLG L956F
- SDLG L956FH
- SDLG LG936L NEW
- SDLG LG936L 2019
- SDLG LG953 NEW
- SDLG LG956V NEW
- SDLG LG952L
- SDLG LG933L
- SDLG LG953L
- SDLG LG936
- SDLG LG933
- SDLG LG952
- SDLG LG952H
- SDLG LG936L
- SDLG LG938
- SDLG LG938L
- SDLG LG952H NEW
- SDLG LG953
- SDLG LG956L
- SDLG LG958L
- SDLG LG968
- SDLG LG918 II
- SDLG LG918
- SDLG LG956V
- SDLG LG969
- SDLG LG944 MSK
- SDLG LG946L
- SDLG LG968F
- Экскаваторы SDLG
- Экскаваторы-погрузчики SDLG
-
China-Motors
- Автогрейдеры China-Motors
- Автокраны China-Motors
- Асфальтоукладчики China-Motors
- Бульдозеры China-Motors
- Катки China-Motors
-
Фронтальные погрузчики China-Motors
- China-Motors LW330F
- China-Motors LW300KN
- China-Motors LW500F
- China-Motors LW560F
- China-Motors ZL50G
- China-Motors LW300F (V2)
- China-Motors LW300F
- China-Motors ZL30G
- China-Motors LW321F
- China-Motors ZL50G NEW
- China-Motors ZL50GL
- China-Motors LW550RU
- China-Motors LW500FN
- China-Motors LW500KN
- China-Motors LW166
- Экскаваторы-погрузчики China-Motors
- Shantui
- XGMA
- Liugong
- SEM (Shandong)
- Changlin
- Doosan
- Hyundai
- Mitsuber
- Peng Pu
- Shehwa
- Yituo (Luoyang)
- Zoomlion
- Tota
- Long Gong
- Chenggong
- Lonking
- Foton
- Schopf
- YTO
- Типы спецтехники
- Бульдозеры
- Автокраны
- Асфальтоукладчики
- Грейдеры и Автогрейдеры
- Катки
- Фронтальные погрузчики
- Экскаваторы
- Экскаваторы-погрузчики
- Двигатели
- Стартеры для спецтехники
- Запчасти для Двигателей
- Huafengdongli
- Weichai
- Weichai-Deutz
- Cummins
- Shanghai
-
Yuchai
- Yuchai YC4112ZQ/ZLQ
- Yuchai YC4D (D0800)
- Yuchai YC4D80-T10(D7019)
- Yuchai YC4E140-30 (E24FB)
- Yuchai YC4G180-20 (G08LA)
- Yuchai YC6108G (B7615)
- Yuchai YC6B125-T10 (B7662)
- Yuchai YC6B125-T11 (B7615-T2)
- Yuchai YC6G240-30 (G60SA)
- Yuchai YC6J245-30 (J61LA)
- Yuchai YC6L260-30 (L41AA-T6)
- Yuchai YC6M220G (M3020)
- Yuchai YC4108G
- Yuchai YC6108,YC6J125Z
- КПП и Мосты
- Dana-Spicer
- Ремонт
- Техобслуживание спецтехники
- Ремонт спецтехники
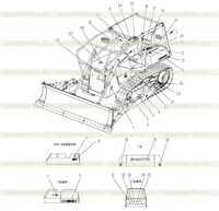
Каталог запчастей на бульдозер Shantui SD20-5
- ANGLE BLADE

- CANOPY

- CANOPY ELECTRICAL SYSTEM

- CARRIER ROLLER ASS'Y

- CONTROL PIPING ASS'Y 1

- CONTROL PIPING ASS'Y 2

- CONTROL PIPING ASS'Y 3

- DAMPER ASS'Y

- DECELERATOR PEDAL

- ENGINE CONTROL

- ENGINE ELECTRICAL SYSTEM

- ENGINE GUARD 1
![ENGINE GUARD 1 ENGINE GUARD 1]()
- ENGINE GUARD 2
![ENGINE GUARD 2 ENGINE GUARD 2]()
- ENGINE GUARD 3
![ENGINE GUARD 3 ENGINE GUARD 3]()
- ENGINE GUARD 4
![ENGINE GUARD 4 ENGINE GUARD 4]()
- ENGINE MOUNTING AND ATTACHMENT
![ENGINE MOUNTING AND ATTACHMENT ENGINE MOUNTING AND ATTACHMENT]()
- EQUALIZER BAR
![EQUALIZER BAR EQUALIZER BAR]()
- FENDER, FLOOR PLATE 1
![FENDER, FLOOR PLATE 1 FENDER, FLOOR PLATE 1]()
- FENDER, FLOOR PLATE 2
![FENDER, FLOOR PLATE 2 FENDER, FLOOR PLATE 2]()
- FENDER, FLOOR PLATE 3
![FENDER, FLOOR PLATE 3 FENDER, FLOOR PLATE 3]()
- FENDER, FLOOR PLATE 4
![FENDER, FLOOR PLATE 4 FENDER, FLOOR PLATE 4]()
- FENDER, FLOOR PLATE 5
![FENDER, FLOOR PLATE 5 FENDER, FLOOR PLATE 5]()
- FINAL DRIVE 1
![FINAL DRIVE 1 FINAL DRIVE 1]()
- FINAL DRIVE 2
![FINAL DRIVE 2 FINAL DRIVE 2]()
- FINAL DRIVE 3
![FINAL DRIVE 3 FINAL DRIVE 3]()
- FINAL DRIVE 4
![FINAL DRIVE 4 FINAL DRIVE 4]()
- FLOOR FRAME ELECTRICAL SYSTEM
![FLOOR FRAME ELECTRICAL SYSTEM FLOOR FRAME ELECTRICAL SYSTEM]()
- FRAME
![FRAME FRAME]()
- FRONT IDLER
![FRONT IDLER FRONT IDLER]()
- FUEL TANK AND PIPING
![FUEL TANK AND PIPING FUEL TANK AND PIPING]()
- GEAR SHIFT AND STEERING PIPING ASS'Y 1
![GEAR SHIFT AND STEERING PIPING ASS'Y 1 GEAR SHIFT AND STEERING PIPING ASS'Y 1]()
- GEAR SHIFT AND STEERING PIPING ASS'Y 10
![GEAR SHIFT AND STEERING PIPING ASS'Y 10 GEAR SHIFT AND STEERING PIPING ASS'Y 10]()
- GEAR SHIFT AND STEERING PIPING ASS'Y 11
![GEAR SHIFT AND STEERING PIPING ASS'Y 11 GEAR SHIFT AND STEERING PIPING ASS'Y 11]()
- GEAR SHIFT AND STEERING PIPING ASS'Y 12
![GEAR SHIFT AND STEERING PIPING ASS'Y 12 GEAR SHIFT AND STEERING PIPING ASS'Y 12]()
- GEAR SHIFT AND STEERING PIPING ASS'Y 13
![GEAR SHIFT AND STEERING PIPING ASS'Y 13 GEAR SHIFT AND STEERING PIPING ASS'Y 13]()
- GEAR SHIFT AND STEERING PIPING ASS'Y 14
![GEAR SHIFT AND STEERING PIPING ASS'Y 14 GEAR SHIFT AND STEERING PIPING ASS'Y 14]()
- GEAR SHIFT AND STEERING PIPING ASS'Y 15
![GEAR SHIFT AND STEERING PIPING ASS'Y 15 GEAR SHIFT AND STEERING PIPING ASS'Y 15]()
- GEAR SHIFT AND STEERING PIPING ASS'Y 2
![GEAR SHIFT AND STEERING PIPING ASS'Y 2 GEAR SHIFT AND STEERING PIPING ASS'Y 2]()
- GEAR SHIFT AND STEERING PIPING ASS'Y 3
![GEAR SHIFT AND STEERING PIPING ASS'Y 3 GEAR SHIFT AND STEERING PIPING ASS'Y 3]()
- GEAR SHIFT AND STEERING PIPING ASS'Y 4
![GEAR SHIFT AND STEERING PIPING ASS'Y 4 GEAR SHIFT AND STEERING PIPING ASS'Y 4]()
- GEAR SHIFT AND STEERING PIPING ASS'Y 5
![GEAR SHIFT AND STEERING PIPING ASS'Y 5 GEAR SHIFT AND STEERING PIPING ASS'Y 5]()
- GEAR SHIFT AND STEERING PIPING ASS'Y 6
![GEAR SHIFT AND STEERING PIPING ASS'Y 6 GEAR SHIFT AND STEERING PIPING ASS'Y 6]()
- GEAR SHIFT AND STEERING PIPING ASS'Y 7
![GEAR SHIFT AND STEERING PIPING ASS'Y 7 GEAR SHIFT AND STEERING PIPING ASS'Y 7]()
- GEAR SHIFT AND STEERING PIPING ASS'Y 9
![GEAR SHIFT AND STEERING PIPING ASS'Y 9 GEAR SHIFT AND STEERING PIPING ASS'Y 9]()
- LABEL PLATE LAYOUT AND COATING
![LABEL PLATE LAYOUT AND COATING LABEL PLATE LAYOUT AND COATING]()
- METER CASE ELECTRICAL SYSTEM
![METER CASE ELECTRICAL SYSTEM METER CASE ELECTRICAL SYSTEM]()
- METER PLATFORM
![METER PLATFORM METER PLATFORM]()
- OIL TANK
![OIL TANK OIL TANK]()
- PPC PIPING ASS'Y 1
![PPC PIPING ASS'Y 1 PPC PIPING ASS'Y 1]()
- PPC PIPING ASS'Y 2
![PPC PIPING ASS'Y 2 PPC PIPING ASS'Y 2]()
- PPC PIPING ASS'Y 3
![PPC PIPING ASS'Y 3 PPC PIPING ASS'Y 3]()
- PPC PIPING ASS'Y 4
![PPC PIPING ASS'Y 4 PPC PIPING ASS'Y 4]()
- PUMP PIPING 1
![PUMP PIPING 1 PUMP PIPING 1]()
- PUMP PIPING 2
![PUMP PIPING 2 PUMP PIPING 2]()
- PUMP PIPING 3
![PUMP PIPING 3 PUMP PIPING 3]()
- RADIATOR AND PIPING 1
![RADIATOR AND PIPING 1 RADIATOR AND PIPING 1]()
- RADIATOR AND PIPING 2
![RADIATOR AND PIPING 2 RADIATOR AND PIPING 2]()
- STEERING BRAKE ASS'Y 1
![STEERING BRAKE ASS'Y 1 STEERING BRAKE ASS'Y 1]()
- STEERING BRAKE ASS'Y 2
![STEERING BRAKE ASS'Y 2 STEERING BRAKE ASS'Y 2]()
- STEERING BRAKE ASS'Y 3
![STEERING BRAKE ASS'Y 3 STEERING BRAKE ASS'Y 3]()
- STEERING BRAKE ASS'Y 4
![STEERING BRAKE ASS'Y 4 STEERING BRAKE ASS'Y 4]()
- TENSION DEVICE
![TENSION DEVICE TENSION DEVICE]()
- TORQUE CONVERTER 1
![TORQUE CONVERTER 1 TORQUE CONVERTER 1]()
- TORQUE CONVERTER 2
![TORQUE CONVERTER 2 TORQUE CONVERTER 2]()
- TORQUE CONVERTER 3
![TORQUE CONVERTER 3 TORQUE CONVERTER 3]()
- TRACK ASS'Y
![TRACK ASS'Y TRACK ASS'Y]()
- TRACK CONTROL ASS'Y 1
![TRACK CONTROL ASS'Y 1 TRACK CONTROL ASS'Y 1]()
- TRACK CONTROL ASS'Y 2
![TRACK CONTROL ASS'Y 2 TRACK CONTROL ASS'Y 2]()
- TRACK CONTROL ASS'Y 3
![TRACK CONTROL ASS'Y 3 TRACK CONTROL ASS'Y 3]()
- TRACK CONTROL ASS'Y 4
![TRACK CONTROL ASS'Y 4 TRACK CONTROL ASS'Y 4]()
- TRACK FRAME ASS'Y
![TRACK FRAME ASS'Y TRACK FRAME ASS'Y]()
- TRACK ROLLER
![TRACK ROLLER TRACK ROLLER]()
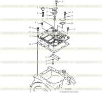
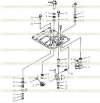
- TRANSMISSION 1
![TRANSMISSION 1 TRANSMISSION 1]()
- TRANSMISSION 2
![TRANSMISSION 2 TRANSMISSION 2]()
- TRANSMISSION 3
![TRANSMISSION 3 TRANSMISSION 3]()
- TRANSMISSION 4
![TRANSMISSION 4 TRANSMISSION 4]()
- TRANSMISSION 5
![TRANSMISSION 5 TRANSMISSION 5]()
- TRANSMISSION 6
![TRANSMISSION 6 TRANSMISSION 6]()
- U-FRAME
![U-FRAME U-FRAME]()
- UNIVERSAL JOINT ASS'Y
![UNIVERSAL JOINT ASS'Y UNIVERSAL JOINT ASS'Y]()




































































