- Бренды спецтехники
-
SDLG
- Автогрейдеры SDLG
- Катки SDLG
-
Фронтальные погрузчики SDLG
- SDLG LG953N
- SDLG L956F
- SDLG L956FH
- SDLG LG936L NEW
- SDLG LG936L 2019
- SDLG LG953 NEW
- SDLG LG956V NEW
- SDLG LG952L
- SDLG LG933L
- SDLG LG953L
- SDLG LG936
- SDLG LG933
- SDLG LG952
- SDLG LG952H
- SDLG LG936L
- SDLG LG938
- SDLG LG938L
- SDLG LG952H NEW
- SDLG LG953
- SDLG LG956L
- SDLG LG958L
- SDLG LG968
- SDLG LG918 II
- SDLG LG918
- SDLG LG956V
- SDLG LG969
- SDLG LG944 MSK
- SDLG LG946L
- SDLG LG968F
- Экскаваторы SDLG
- Экскаваторы-погрузчики SDLG
-
China-Motors
- Автогрейдеры China-Motors
- Автокраны China-Motors
- Асфальтоукладчики China-Motors
- Бульдозеры China-Motors
- Катки China-Motors
-
Фронтальные погрузчики China-Motors
- China-Motors LW330F
- China-Motors LW300KN
- China-Motors LW500F
- China-Motors LW560F
- China-Motors ZL50G
- China-Motors LW300F (V2)
- China-Motors LW300F
- China-Motors ZL30G
- China-Motors LW321F
- China-Motors ZL50G NEW
- China-Motors ZL50GL
- China-Motors LW550RU
- China-Motors LW500FN
- China-Motors LW500KN
- China-Motors LW166
- Экскаваторы-погрузчики China-Motors
- Shantui
- XGMA
- Liugong
- SEM (Shandong)
- Changlin
- Doosan
- Hyundai
- Mitsuber
- Peng Pu
- Shehwa
- Yituo (Luoyang)
- Zoomlion
- Tota
- Long Gong
- Chenggong
- Lonking
- Foton
- Schopf
- YTO
- Типы спецтехники
- Бульдозеры
- Автокраны
- Асфальтоукладчики
- Грейдеры и Автогрейдеры
- Катки
- Фронтальные погрузчики
- Экскаваторы
- Экскаваторы-погрузчики
- Двигатели
- Стартеры для спецтехники
- Запчасти для Двигателей
- Huafengdongli
- Weichai
- Weichai-Deutz
- Cummins
- Shanghai
-
Yuchai
- Yuchai YC4112ZQ/ZLQ
- Yuchai YC4D (D0800)
- Yuchai YC4D80-T10(D7019)
- Yuchai YC4E140-30 (E24FB)
- Yuchai YC4G180-20 (G08LA)
- Yuchai YC6108G (B7615)
- Yuchai YC6B125-T10 (B7662)
- Yuchai YC6B125-T11 (B7615-T2)
- Yuchai YC6G240-30 (G60SA)
- Yuchai YC6J245-30 (J61LA)
- Yuchai YC6L260-30 (L41AA-T6)
- Yuchai YC6M220G (M3020)
- Yuchai YC4108G
- Yuchai YC6108,YC6J125Z
- КПП и Мосты
- Dana-Spicer
- Ремонт
- Техобслуживание спецтехники
- Ремонт спецтехники
Каталог запчастей на бульдозер Shantui SD17-B3
- 1ST CLUTCH

- 2ND AND 3RD CLUTCH

- AIR CONDITIONER SYSTEM 1

- AIR CONDITIONER SYSTEM 2

- AIR DUCT

- BACKWARD CLUTCH

- BEVEL GEAR AND SHAFT

- BLADE CONTROL LEVER (WITH STRAIGHT TILT BLADE OR U-BLADE) 1

- BLADE CONTROL LEVER (WITH STRAIGHT TILT BLADE OR U-BLADE) 2

- BLADE LIFT PIPING ASS'Y (SD17-C3 LGP)

- BLADE LIFT PIPING ASS'Y (SD17-C3 XL)

- BOTTOM GUARD PLATE
![BOTTOM GUARD PLATE BOTTOM GUARD PLATE]()
- BRAKE BAND AND LINKAGES
![BRAKE BAND AND LINKAGES BRAKE BAND AND LINKAGES]()
- BRAKE PEDAL
![BRAKE PEDAL BRAKE PEDAL]()
- BRAKING BOOSTER
![BRAKING BOOSTER BRAKING BOOSTER]()
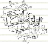
- CAB ATTACHMENT
![CAB ATTACHMENT CAB ATTACHMENT]()
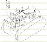
- CAB ELECTRICAL SYSTEM
![CAB ELECTRICAL SYSTEM CAB ELECTRICAL SYSTEM]()
- CAB INTERIOR
![CAB INTERIOR CAB INTERIOR]()
- CAB MAIN PARTS
![CAB MAIN PARTS CAB MAIN PARTS]()
- CARRIER ROLLER
![CARRIER ROLLER CARRIER ROLLER]()
- DOOR, WINDOW, LOCK
![DOOR, WINDOW, LOCK DOOR, WINDOW, LOCK]()
- ENGINE ELECTRICAL SYSTEM
![ENGINE ELECTRICAL SYSTEM ENGINE ELECTRICAL SYSTEM]()
- EQUALIZER BAR (SD17-B3 LGP)
![EQUALIZER BAR (SD17-B3 LGP) EQUALIZER BAR (SD17-B3 LGP)]()
- EQUALIZER BAR (SD17-B3 XL)
![EQUALIZER BAR (SD17-B3 XL) EQUALIZER BAR (SD17-B3 XL)]()
- FENDER 1
![FENDER 1 FENDER 1]()
- FENDER 2
![FENDER 2 FENDER 2]()
- FINAL DRIVE AND WHEEL HUB (SD17-B3 LGP)
![FINAL DRIVE AND WHEEL HUB (SD17-B3 LGP) FINAL DRIVE AND WHEEL HUB (SD17-B3 LGP)]()
- FINAL DRIVE AND WHEEL HUB (SD17-B3 XL)
![FINAL DRIVE AND WHEEL HUB (SD17-B3 XL) FINAL DRIVE AND WHEEL HUB (SD17-B3 XL)]()
- FINAL DRIVE CASE AND SPROCKET WHEEL (SD17-B3 LGP)
![FINAL DRIVE CASE AND SPROCKET WHEEL (SD17-B3 LGP) FINAL DRIVE CASE AND SPROCKET WHEEL (SD17-B3 LGP)]()
- FINAL DRIVE CASE AND SPROCKET WHEEL (SD17-B3 XL)
![FINAL DRIVE CASE AND SPROCKET WHEEL (SD17-B3 XL) FINAL DRIVE CASE AND SPROCKET WHEEL (SD17-B3 XL)]()
- FINAL DRIVE GEAR (SD17-B3 LGP)
![FINAL DRIVE GEAR (SD17-B3 LGP) FINAL DRIVE GEAR (SD17-B3 LGP)]()
- FINAL DRIVE GEAR (SD17-B3 XL)
![FINAL DRIVE GEAR (SD17-B3 XL) FINAL DRIVE GEAR (SD17-B3 XL)]()
- FLOOR ELECTRICAL SYSTEM
![FLOOR ELECTRICAL SYSTEM FLOOR ELECTRICAL SYSTEM]()
- FLOOR FRAME AND THE PLATE OF FLOOR FRAME (WITH TRACTION FRAME)
![FLOOR FRAME AND THE PLATE OF FLOOR FRAME (WITH TRACTION FRAME) FLOOR FRAME AND THE PLATE OF FLOOR FRAME (WITH TRACTION FRAME)]()
- FLYWHEEL HOUSING ASS'Y 1
![FLYWHEEL HOUSING ASS'Y 1 FLYWHEEL HOUSING ASS'Y 1]()
- FLYWHEEL HOUSING ASS'Y 2
![FLYWHEEL HOUSING ASS'Y 2 FLYWHEEL HOUSING ASS'Y 2]()
- FLYWHEEL HOUSING ASS'Y 3
![FLYWHEEL HOUSING ASS'Y 3 FLYWHEEL HOUSING ASS'Y 3]()
- FORWARD CLUTCH
![FORWARD CLUTCH FORWARD CLUTCH]()
- FRONT HOOD
![FRONT HOOD FRONT HOOD]()
- FRONT HOOD ELECTRICAL SYSTEM
![FRONT HOOD ELECTRICAL SYSTEM FRONT HOOD ELECTRICAL SYSTEM]()
- FRONT IDLER
![FRONT IDLER FRONT IDLER]()
- FUEL CONTROL 1
![FUEL CONTROL 1 FUEL CONTROL 1]()
- FUEL CONTROL 2
![FUEL CONTROL 2 FUEL CONTROL 2]()
- FUEL CONTROL 3
![FUEL CONTROL 3 FUEL CONTROL 3]()
- FUEL PIPING
![FUEL PIPING FUEL PIPING]()
- FUEL TANK
![FUEL TANK FUEL TANK]()
- GEAR SHIFT OIL PUMP
![GEAR SHIFT OIL PUMP GEAR SHIFT OIL PUMP]()
- GUARD AND FRAME
![GUARD AND FRAME GUARD AND FRAME]()
- HYDRAULIC OIL TANK ASS'Y (WITH RIPPER)
![HYDRAULIC OIL TANK ASS'Y (WITH RIPPER) HYDRAULIC OIL TANK ASS'Y (WITH RIPPER)]()
- HYDRAULIC OIL TANK ASS'Y (WITH TRACTION FRAME)
![HYDRAULIC OIL TANK ASS'Y (WITH TRACTION FRAME) HYDRAULIC OIL TANK ASS'Y (WITH TRACTION FRAME)]()
- IMPLEMENT PUMP SYSTEM PIPING (WITH RIPPER)
![IMPLEMENT PUMP SYSTEM PIPING (WITH RIPPER) IMPLEMENT PUMP SYSTEM PIPING (WITH RIPPER)]()
- IMPLEMENT PUMP SYSTEM PIPING (WITH TRACTION FRAME)
![IMPLEMENT PUMP SYSTEM PIPING (WITH TRACTION FRAME) IMPLEMENT PUMP SYSTEM PIPING (WITH TRACTION FRAME)]()
- INSTRUMENT BOX
![INSTRUMENT BOX INSTRUMENT BOX]()
- INSTRUMENT BOX ELECTRICAL SYSTEM
![INSTRUMENT BOX ELECTRICAL SYSTEM INSTRUMENT BOX ELECTRICAL SYSTEM]()
- LIFT HYDRO-CYLINDER ASS'Y OF LEFT BLADE
![LIFT HYDRO-CYLINDER ASS'Y OF LEFT BLADE LIFT HYDRO-CYLINDER ASS'Y OF LEFT BLADE]()
- LIFT HYDRO-CYLINDER ASS'Y OF LEFT BLADE (SD17-C3 LGP)
![LIFT HYDRO-CYLINDER ASS'Y OF LEFT BLADE (SD17-C3 LGP) LIFT HYDRO-CYLINDER ASS'Y OF LEFT BLADE (SD17-C3 LGP)]()
- LIFT HYDRO-CYLINDER ASS'Y OF RIGHT BLADE (SD17-C3 LGP)
![LIFT HYDRO-CYLINDER ASS'Y OF RIGHT BLADE (SD17-C3 LGP) LIFT HYDRO-CYLINDER ASS'Y OF RIGHT BLADE (SD17-C3 LGP)]()
- LIFT HYDRO-CYLINDER ASS'Y OF RIGHT BLADE (SD17-C3 XL)
![LIFT HYDRO-CYLINDER ASS'Y OF RIGHT BLADE (SD17-C3 XL) LIFT HYDRO-CYLINDER ASS'Y OF RIGHT BLADE (SD17-C3 XL)]()
- LUBRICATING VALVE
![LUBRICATING VALVE LUBRICATING VALVE]()
- MAIN FRAME AND STEERING CASE
![MAIN FRAME AND STEERING CASE MAIN FRAME AND STEERING CASE]()
- MARKS AND PLATES 1
![MARKS AND PLATES 1 MARKS AND PLATES 1]()
- MARKS AND PLATES 2
![MARKS AND PLATES 2 MARKS AND PLATES 2]()
- OIL COOLER PIPING
![OIL COOLER PIPING OIL COOLER PIPING]()
- OIL SCAVENGER PUMP ASS'Y
![OIL SCAVENGER PUMP ASS'Y OIL SCAVENGER PUMP ASS'Y]()
- OPERATOR'S SEAT ASSEMBLY
![OPERATOR'S SEAT ASSEMBLY OPERATOR'S SEAT ASSEMBLY]()
- PRESSURE MEASUREMENT PIPING
![PRESSURE MEASUREMENT PIPING PRESSURE MEASUREMENT PIPING]()
- RADIATOR PIPING
![RADIATOR PIPING RADIATOR PIPING]()
- RECOIL SPRING (SD17-B3 LGP)
![RECOIL SPRING (SD17-B3 LGP) RECOIL SPRING (SD17-B3 LGP)]()
- RECOIL SPRING (SD17-B3 XL)
![RECOIL SPRING (SD17-B3 XL) RECOIL SPRING (SD17-B3 XL)]()
- RIPPER (SD17-B3 XL)
![RIPPER (SD17-B3 XL) RIPPER (SD17-B3 XL)]()
- RIPPER CONTROL LEVER
![RIPPER CONTROL LEVER RIPPER CONTROL LEVER]()
- RIPPER PIPING ASS'Y
![RIPPER PIPING ASS'Y RIPPER PIPING ASS'Y]()
- STEERING AND BRAKE CONTROL LEVER
![STEERING AND BRAKE CONTROL LEVER STEERING AND BRAKE CONTROL LEVER]()
- STEERING AND BRAKE VALVE
![STEERING AND BRAKE VALVE STEERING AND BRAKE VALVE]()
- STEERING CLUTCH
![STEERING CLUTCH STEERING CLUTCH]()
- STEERING CLUTCH PIPING
![STEERING CLUTCH PIPING STEERING CLUTCH PIPING]()
- STEERING PUMP
![STEERING PUMP STEERING PUMP]()
- STRAIGHT TILT BLADE
![STRAIGHT TILT BLADE STRAIGHT TILT BLADE]()
- STRAIGHT TILT BLADE (SD17-B3 LGP)
![STRAIGHT TILT BLADE (SD17-B3 LGP) STRAIGHT TILT BLADE (SD17-B3 LGP)]()
- STRAIGHT TILT FRAME (SD17-B3 LGP)
![STRAIGHT TILT FRAME (SD17-B3 LGP) STRAIGHT TILT FRAME (SD17-B3 LGP)]()
- STRAIGHT TILT FRAME (SD17-B3 XL)
![STRAIGHT TILT FRAME (SD17-B3 XL) STRAIGHT TILT FRAME (SD17-B3 XL)]()
- SWITCHING VALVE AND SAFETY VALVE PIPING
![SWITCHING VALVE AND SAFETY VALVE PIPING SWITCHING VALVE AND SAFETY VALVE PIPING]()
- TILT OIL CYLINDER ASS'Y
![TILT OIL CYLINDER ASS'Y TILT OIL CYLINDER ASS'Y]()
- TILT PIPING ASS'Y 1
![TILT PIPING ASS'Y 1 TILT PIPING ASS'Y 1]()
- TILT PIPING ASS'Y 2
![TILT PIPING ASS'Y 2 TILT PIPING ASS'Y 2]()
- TORQUE CONVERTER HOUSING
![TORQUE CONVERTER HOUSING TORQUE CONVERTER HOUSING]()
- TORQUE CONVERTER PIPING 1
![TORQUE CONVERTER PIPING 1 TORQUE CONVERTER PIPING 1]()
- TORQUE CONVERTER PIPING 2
![TORQUE CONVERTER PIPING 2 TORQUE CONVERTER PIPING 2]()
- TORQUE CONVERTER SUCTION PIPE
![TORQUE CONVERTER SUCTION PIPE TORQUE CONVERTER SUCTION PIPE]()
- TRACK ASS'Y (SD17-B3 LGP) 1
![TRACK ASS'Y (SD17-B3 LGP) 1 TRACK ASS'Y (SD17-B3 LGP) 1]()
- TRACK ASS'Y (SD17-B3 LGP) 2
![TRACK ASS'Y (SD17-B3 LGP) 2 TRACK ASS'Y (SD17-B3 LGP) 2]()
- TRACK ASS'Y (SD17-B3 XL)
![TRACK ASS'Y (SD17-B3 XL) TRACK ASS'Y (SD17-B3 XL)]()
- TRACK FRAME ASS'Y (SD17-B3 LGP)
![TRACK FRAME ASS'Y (SD17-B3 LGP) TRACK FRAME ASS'Y (SD17-B3 LGP)]()
- TRACK FRAME ASS'Y (SD17-B3 XL)
![TRACK FRAME ASS'Y (SD17-B3 XL) TRACK FRAME ASS'Y (SD17-B3 XL)]()
- TRACK FRAME COVER (SD17-B3 LGP)
![TRACK FRAME COVER (SD17-B3 LGP) TRACK FRAME COVER (SD17-B3 LGP)]()
- TRACK FRAME COVER (SD17-B3 XL)
![TRACK FRAME COVER (SD17-B3 XL) TRACK FRAME COVER (SD17-B3 XL)]()
- TRACK ROLLER
![TRACK ROLLER TRACK ROLLER]()
- TRACK ROLLER, DOUBLE FLANGES
![TRACK ROLLER, DOUBLE FLANGES TRACK ROLLER, DOUBLE FLANGES]()
- TRACTION FRAME
![TRACTION FRAME TRACTION FRAME]()
- TRANSMISSION CASE, FRONT
![TRANSMISSION CASE, FRONT TRANSMISSION CASE, FRONT]()
- TRANSMISSION CONTROL SYSTEM
![TRANSMISSION CONTROL SYSTEM TRANSMISSION CONTROL SYSTEM]()
- TRANSMISSION CONTROL VALVE 1
![TRANSMISSION CONTROL VALVE 1 TRANSMISSION CONTROL VALVE 1]()
- TRANSMISSION CONTROL VALVE 2
![TRANSMISSION CONTROL VALVE 2 TRANSMISSION CONTROL VALVE 2]()
- TRANSMISSION CONTROL VALVE COVER
![TRANSMISSION CONTROL VALVE COVER TRANSMISSION CONTROL VALVE COVER]()
- TRANSMISSION CONTROL VALVE LEVER
![TRANSMISSION CONTROL VALVE LEVER TRANSMISSION CONTROL VALVE LEVER]()
- TRANSMISSION PIPING
![TRANSMISSION PIPING TRANSMISSION PIPING]()
- TRANSMISSION REAR CASE, REAR
![TRANSMISSION REAR CASE, REAR TRANSMISSION REAR CASE, REAR]()
- TURBINE AND STATOR ASS'Y
![TURBINE AND STATOR ASS'Y TURBINE AND STATOR ASS'Y]()
- UNIVERSAL JOINT ASS'Y
![UNIVERSAL JOINT ASS'Y UNIVERSAL JOINT ASS'Y]()
- VALVE
![VALVE VALVE]()
- WD10 ENGINE MOUNTING AND ATTACHMENT
![WD10 ENGINE MOUNTING AND ATTACHMENT WD10 ENGINE MOUNTING AND ATTACHMENT]()



































































































