- Бренды спецтехники
-
SDLG
- Автогрейдеры SDLG
- Катки SDLG
-
Фронтальные погрузчики SDLG
- SDLG LG953N
- SDLG L956F
- SDLG L956FH
- SDLG LG936L NEW
- SDLG LG936L 2019
- SDLG LG953 NEW
- SDLG LG956V NEW
- SDLG LG952L
- SDLG LG933L
- SDLG LG953L
- SDLG LG936
- SDLG LG933
- SDLG LG952
- SDLG LG952H
- SDLG LG936L
- SDLG LG938
- SDLG LG938L
- SDLG LG952H NEW
- SDLG LG953
- SDLG LG956L
- SDLG LG958L
- SDLG LG968
- SDLG LG918 II
- SDLG LG918
- SDLG LG956V
- SDLG LG969
- SDLG LG944 MSK
- SDLG LG946L
- SDLG LG968F
- Экскаваторы SDLG
- Экскаваторы-погрузчики SDLG
-
China-Motors
- Автогрейдеры China-Motors
- Автокраны China-Motors
- Асфальтоукладчики China-Motors
- Бульдозеры China-Motors
- Катки China-Motors
-
Фронтальные погрузчики China-Motors
- China-Motors LW330F
- China-Motors LW300KN
- China-Motors LW500F
- China-Motors LW560F
- China-Motors ZL50G
- China-Motors LW300F (V2)
- China-Motors LW300F
- China-Motors ZL30G
- China-Motors LW321F
- China-Motors ZL50G NEW
- China-Motors ZL50GL
- China-Motors LW550RU
- China-Motors LW500FN
- China-Motors LW500KN
- China-Motors LW166
- Экскаваторы-погрузчики China-Motors
- Shantui
- XGMA
- Liugong
- SEM (Shandong)
- Changlin
- Doosan
- Hyundai
- Mitsuber
- Peng Pu
- Shehwa
- Yituo (Luoyang)
- Zoomlion
- Tota
- Long Gong
- Chenggong
- Lonking
- Foton
- Schopf
- YTO
- Типы спецтехники
- Бульдозеры
- Автокраны
- Асфальтоукладчики
- Грейдеры и Автогрейдеры
- Катки
- Фронтальные погрузчики
- Экскаваторы
- Экскаваторы-погрузчики
- Двигатели
- Стартеры для спецтехники
- Запчасти для Двигателей
- Huafengdongli
- Weichai
- Weichai-Deutz
- Cummins
- Shanghai
-
Yuchai
- Yuchai YC4112ZQ/ZLQ
- Yuchai YC4D (D0800)
- Yuchai YC4D80-T10(D7019)
- Yuchai YC4E140-30 (E24FB)
- Yuchai YC4G180-20 (G08LA)
- Yuchai YC6108G (B7615)
- Yuchai YC6B125-T10 (B7662)
- Yuchai YC6B125-T11 (B7615-T2)
- Yuchai YC6G240-30 (G60SA)
- Yuchai YC6J245-30 (J61LA)
- Yuchai YC6L260-30 (L41AA-T6)
- Yuchai YC6M220G (M3020)
- Yuchai YC4108G
- Yuchai YC6108,YC6J125Z
- КПП и Мосты
- Dana-Spicer
- Ремонт
- Техобслуживание спецтехники
- Ремонт спецтехники
- Главная
- Каталог
- Бренды
- SHANTUI
- Shantui SD13, SD13S
- Страница 66
Каталог запчастей на бульдозер Shantui SD13, SD13S | Страница 66
- TORQFLOW Задний корпус трансмиссии

- TORQFLOW Корпус трансмиссии

- TORQFLOW Установка трансмиссии

- U-рама

- Балансировочный брус

- Вал бортового редуктора

- Возвратная пружина

- Гидравлический бак

- Гидравлический насос

- Гидравлический трубопровод

- Главная рама и рулевой корпус

- Задняя рама и крышка
![Задняя рама и крышка Задняя рама и крышка]()
- Заслонка в сборе
![Заслонка в сборе Заслонка в сборе]()
- Защита днища
![Защита днища Защита днища]()
- Звено гусеницы (STD TYPE)
![Звено гусеницы (STD TYPE) Звено гусеницы (STD TYPE)]()
- Звено гусеницы (SWAMP TYPE)
![Звено гусеницы (SWAMP TYPE) Звено гусеницы (SWAMP TYPE)]()
- Знак и плита
![Знак и плита Знак и плита]()
- Кабина водителя
![Кабина водителя Кабина водителя]()
- Катки
![Катки Катки]()
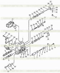
- Клапан коробки передач. Выбор и управление
![Клапан коробки передач. Выбор и управление Клапан коробки передач. Выбор и управление]()
- Клапан управление рыхлителем
![Клапан управление рыхлителем Клапан управление рыхлителем]()
- Клапан управления коробкой передач
![Клапан управления коробкой передач Клапан управления коробкой передач]()
- Клапан управления лезвия в сборе
![Клапан управления лезвия в сборе Клапан управления лезвия в сборе]()
- Клапана преобразователя крутящего момента
![Клапана преобразователя крутящего момента Клапана преобразователя крутящего момента]()
- Кожух двигателя и защита
![Кожух двигателя и защита Кожух двигателя и защита]()
- Коническая передача и вал
![Коническая передача и вал Коническая передача и вал]()
- Корпус бортового редуктора и звездочек
![Корпус бортового редуктора и звездочек Корпус бортового редуктора и звездочек]()
- Крепление двигателя
![Крепление двигателя Крепление двигателя]()
- Крыло
![Крыло Крыло]()
- Масляный насос рулевого управления
![Масляный насос рулевого управления Масляный насос рулевого управления]()
- Масляный фильтр
![Масляный фильтр Масляный фильтр]()
- Масляный фильтр рулевого управления
![Масляный фильтр рулевого управления Масляный фильтр рулевого управления]()
- Механизм бортового редуктора
![Механизм бортового редуктора Механизм бортового редуктора]()
- Насос трансмиссии
![Насос трансмиссии Насос трансмиссии]()
- Натяжной шкив
![Натяжной шкив Натяжной шкив]()
- Несущий ролик
![Несущий ролик Несущий ролик]()
- Отключение энергии
![Отключение энергии Отключение энергии]()
- Педаль замедлителя
![Педаль замедлителя Педаль замедлителя]()
- Прямая и обратные муфты
![Прямая и обратные муфты Прямая и обратные муфты]()
- Прямой наклонный отвал
![Прямой наклонный отвал Прямой наклонный отвал]()
- Радиатор и крышка в сборе
![Радиатор и крышка в сборе Радиатор и крышка в сборе]()
- Рама гусеницы
![Рама гусеницы Рама гусеницы]()
- Рулевая муфта
![Рулевая муфта Рулевая муфта]()
- Рулевой клапан управления
![Рулевой клапан управления Рулевой клапан управления]()
- Ручной тормоз
![Ручной тормоз Ручной тормоз]()
- Рыхлитель
![Рыхлитель Рыхлитель]()
- Рычаг блокировки тормоза
![Рычаг блокировки тормоза Рычаг блокировки тормоза]()
- Рычаг рулевого управления
![Рычаг рулевого управления Рычаг рулевого управления]()
- Рычаг управления коробки передач
![Рычаг управления коробки передач Рычаг управления коробки передач]()
- Рычаг управления лезвием
![Рычаг управления лезвием Рычаг управления лезвием]()
- Рычаг управления рыхлителем
![Рычаг управления рыхлителем Рычаг управления рыхлителем]()
- Рычаг управления топливом
![Рычаг управления топливом Рычаг управления топливом]()
- Сиденье оператора
![Сиденье оператора Сиденье оператора]()
- Смазочный клапан
![Смазочный клапан Смазочный клапан]()
- Соединение управление рыхлителем
![Соединение управление рыхлителем Соединение управление рыхлителем]()
- Соединение управления лезвием
![Соединение управления лезвием Соединение управления лезвием]()
- Сцепление
![Сцепление Сцепление]()
- Топливный бак и трубопровод
![Топливный бак и трубопровод Топливный бак и трубопровод]()
- Тормозная педаль и соединители
![Тормозная педаль и соединители Тормозная педаль и соединители]()
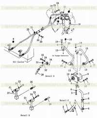
- Трубопровод подъема лезвия
![Трубопровод подъема лезвия Трубопровод подъема лезвия]()
- Трубопровод радиатора
![Трубопровод радиатора Трубопровод радиатора]()
- Трубопровод рыхлителя
![Трубопровод рыхлителя Трубопровод рыхлителя]()
- Трубопровод тестирования давления
![Трубопровод тестирования давления Трубопровод тестирования давления]()
- Трубопровод трансмиссии и крутящего момента
![Трубопровод трансмиссии и крутящего момента Трубопровод трансмиссии и крутящего момента]()
- Трубопровод управления и клапана безопасности
![Трубопровод управления и клапана безопасности Трубопровод управления и клапана безопасности]()
- Тяговый брус
![Тяговый брус Тяговый брус]()
- Угловой поворотный отвал
![Угловой поворотный отвал Угловой поворотный отвал]()
- Универсальный шарнир
![Универсальный шарнир Универсальный шарнир]()
- Усилитель рулевого управления
![Усилитель рулевого управления Усилитель рулевого управления]()
- Цилиндр наклона лезвия
![Цилиндр наклона лезвия Цилиндр наклона лезвия]()
- Цилиндр поддержки
![Цилиндр поддержки Цилиндр поддержки]()
- Цилиндр подъема лезвия
![Цилиндр подъема лезвия Цилиндр подъема лезвия]()
- Цилиндр рыхлителя
![Цилиндр рыхлителя Цилиндр рыхлителя]()
- Электрическая система
![Электрическая система Электрическая система]()






























































