- Бренды спецтехники
-
SDLG
- Автогрейдеры SDLG
- Катки SDLG
-
Фронтальные погрузчики SDLG
- SDLG LG953N
- SDLG L956F
- SDLG L956FH
- SDLG LG936L NEW
- SDLG LG936L 2019
- SDLG LG953 NEW
- SDLG LG956V NEW
- SDLG LG952L
- SDLG LG933L
- SDLG LG953L
- SDLG LG936
- SDLG LG933
- SDLG LG952
- SDLG LG952H
- SDLG LG936L
- SDLG LG938
- SDLG LG938L
- SDLG LG952H NEW
- SDLG LG953
- SDLG LG956L
- SDLG LG958L
- SDLG LG968
- SDLG LG918 II
- SDLG LG918
- SDLG LG956V
- SDLG LG969
- SDLG LG944 MSK
- SDLG LG946L
- SDLG LG968F
- Экскаваторы SDLG
- Экскаваторы-погрузчики SDLG
-
China-Motors
- Автогрейдеры China-Motors
- Автокраны China-Motors
- Асфальтоукладчики China-Motors
- Бульдозеры China-Motors
- Катки China-Motors
-
Фронтальные погрузчики China-Motors
- China-Motors LW330F
- China-Motors LW300KN
- China-Motors LW500F
- China-Motors LW560F
- China-Motors ZL50G
- China-Motors LW300F (V2)
- China-Motors LW300F
- China-Motors ZL30G
- China-Motors LW321F
- China-Motors ZL50G NEW
- China-Motors ZL50GL
- China-Motors LW550RU
- China-Motors LW500FN
- China-Motors LW500KN
- China-Motors LW166
- Экскаваторы-погрузчики China-Motors
- Shantui
- XGMA
- Liugong
- SEM (Shandong)
- Changlin
- Doosan
- Hyundai
- Mitsuber
- Peng Pu
- Shehwa
- Yituo (Luoyang)
- Zoomlion
- Tota
- Long Gong
- Chenggong
- Lonking
- Foton
- Schopf
- YTO
- Типы спецтехники
- Бульдозеры
- Автокраны
- Асфальтоукладчики
- Грейдеры и Автогрейдеры
- Катки
- Фронтальные погрузчики
- Экскаваторы
- Экскаваторы-погрузчики
- Двигатели
- Стартеры для спецтехники
- Запчасти для Двигателей
- Huafengdongli
- Weichai
- Weichai-Deutz
- Cummins
- Shanghai
-
Yuchai
- Yuchai YC4112ZQ/ZLQ
- Yuchai YC4D (D0800)
- Yuchai YC4D80-T10(D7019)
- Yuchai YC4E140-30 (E24FB)
- Yuchai YC4G180-20 (G08LA)
- Yuchai YC6108G (B7615)
- Yuchai YC6B125-T10 (B7662)
- Yuchai YC6B125-T11 (B7615-T2)
- Yuchai YC6G240-30 (G60SA)
- Yuchai YC6J245-30 (J61LA)
- Yuchai YC6L260-30 (L41AA-T6)
- Yuchai YC6M220G (M3020)
- Yuchai YC4108G
- Yuchai YC6108,YC6J125Z
- КПП и Мосты
- Dana-Spicer
- Ремонт
- Техобслуживание спецтехники
- Ремонт спецтехники
- Главная
- Каталог
- Бренды
- SHANTUI
- Shantui SD16
- Страница 80
Каталог запчастей на бульдозер Shantui SD16 | Страница 80
- 1-я муфта

- 2-я и 3-я муфты

- Бак гидравлический

- Бак гидравлический 2

- Бак топливный

- Балка балансирная

- Батарея аккумуляторная

- Башмак гусеничный

- Вал и втулка бортового редуктора

- Вал карданный

- Вал турбины, колесо направляющее

- Выключатель аварийный
![Выключатель аварийный Выключатель аварийный]()
- гидрораспределитель коробки передач
![гидрораспределитель коробки передач гидрораспределитель коробки передач]()
- гидрораспределитель коробки передач 2
![гидрораспределитель коробки передач 2 гидрораспределитель коробки передач 2]()
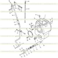
- Гидрораспределитель рулевого управления
![Гидрораспределитель рулевого управления Гидрораспределитель рулевого управления]()
- Гидрораспределитель управления отвалом
![Гидрораспределитель управления отвалом Гидрораспределитель управления отвалом]()
- Гидрораспределитель управления отвалом 2
![Гидрораспределитель управления отвалом 2 Гидрораспределитель управления отвалом 2]()
- Гидрораспределитель управления рыхлителем
![Гидрораспределитель управления рыхлителем Гидрораспределитель управления рыхлителем]()
- гидроцилиндр наклона отвала
![гидроцилиндр наклона отвала гидроцилиндр наклона отвала]()
- Гидроцилиндр подъема отвала
![Гидроцилиндр подъема отвала Гидроцилиндр подъема отвала]()
- гидроцилиндр рыхлителя
![гидроцилиндр рыхлителя гидроцилиндр рыхлителя]()
- Гусеница в сборе
![Гусеница в сборе Гусеница в сборе]()
- Детали опоры двигателя
![Детали опоры двигателя Детали опоры двигателя]()
- детали опоры радиатора
![детали опоры радиатора детали опоры радиатора]()
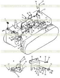
- Кабина
![Кабина Кабина]()
- Капот двигателя в сборе
![Капот двигателя в сборе Капот двигателя в сборе]()
- Картер гидротрансформатора
![Картер гидротрансформатора Картер гидротрансформатора]()
- Картер коробки передач
![Картер коробки передач Картер коробки передач]()
- Картер маховика в сборе
![Картер маховика в сборе Картер маховика в сборе]()
- Картер маховика в сборе 2
![Картер маховика в сборе 2 Картер маховика в сборе 2]()
- Картер маховика в сборе 3
![Картер маховика в сборе 3 Картер маховика в сборе 3]()
- Картер рулевого механизма и рама шасси
![Картер рулевого механизма и рама шасси Картер рулевого механизма и рама шасси]()
- Каток опорный
![Каток опорный Каток опорный]()
- Каток поддерживающий
![Каток поддерживающий Каток поддерживающий]()
- Клапан перепускной
![Клапан перепускной Клапан перепускной]()
- Клапан редукционнный
![Клапан редукционнный Клапан редукционнный]()
- Клапан смазочный
![Клапан смазочный Клапан смазочный]()
- Кожух бортового редуктора, звездочка
![Кожух бортового редуктора, звездочка Кожух бортового редуктора, звездочка]()
- Кожух бортового редуктора, колесо ведущее
![Кожух бортового редуктора, колесо ведущее Кожух бортового редуктора, колесо ведущее]()
- Колесо натяжное
![Колесо натяжное Колесо натяжное]()
- Коробка и пол
![Коробка и пол Коробка и пол]()
- Кресло оператора
![Кресло оператора Кресло оператора]()
- Крышка картера коробки передач
![Крышка картера коробки передач Крышка картера коробки передач]()
- Крышка картера коробки передач задняя
![Крышка картера коробки передач задняя Крышка картера коробки передач задняя]()
- Крышка рамы гусеницы
![Крышка рамы гусеницы Крышка рамы гусеницы]()
- Крышка рамы гусеницы 2
![Крышка рамы гусеницы 2 Крышка рамы гусеницы 2]()
- Механизм натяжения
![Механизм натяжения Механизм натяжения]()
- Механизм управления отвалом
![Механизм управления отвалом Механизм управления отвалом]()
- Механизм управления рыхлителем
![Механизм управления рыхлителем Механизм управления рыхлителем]()
- Муфта заднего хода
![Муфта заднего хода Муфта заднего хода]()
- Муфта переднего хода
![Муфта переднего хода Муфта переднего хода]()
- Насос гидравлический
![Насос гидравлический Насос гидравлический]()
- Насос отсасывающий
![Насос отсасывающий Насос отсасывающий]()
- Насос рулевого управления
![Насос рулевого управления Насос рулевого управления]()
- Насос трансмиссионный
![Насос трансмиссионный Насос трансмиссионный]()
- Отвал наклоняемый прямой
![Отвал наклоняемый прямой Отвал наклоняемый прямой]()
- Отвал угловой
![Отвал угловой Отвал угловой]()
- панель приборная
![панель приборная панель приборная]()
- патрубок гидротрансформатора всасывающий
![патрубок гидротрансформатора всасывающий патрубок гидротрансформатора всасывающий]()
- педаль замедлителя
![педаль замедлителя педаль замедлителя]()
- педаль тормоза и тормозной механизм
![педаль тормоза и тормозной механизм педаль тормоза и тормозной механизм]()
- педаль тормоза и тормозной механизм 2
![педаль тормоза и тормозной механизм 2 педаль тормоза и тормозной механизм 2]()
- передача зубчатая коническая и вал
![передача зубчатая коническая и вал передача зубчатая коническая и вал]()
- пластина защитная нижняя
![пластина защитная нижняя пластина защитная нижняя]()
- подвод и защитный кожух радиатора
![подвод и защитный кожух радиатора подвод и защитный кожух радиатора]()
- радиатор масляный
![радиатор масляный радиатор масляный]()
- рама гусеницы
![рама гусеницы рама гусеницы]()
- рама дугообразная
![рама дугообразная рама дугообразная]()
- рама прямого наклоняемого отвала
![рама прямого наклоняемого отвала рама прямого наклоняемого отвала]()
- рама рыхлителя
![рама рыхлителя рама рыхлителя]()
- редуктор бортовой
![редуктор бортовой редуктор бортовой]()
- рычаг блокировки тормоза
![рычаг блокировки тормоза рычаг блокировки тормоза]()
- рычаг переключения скоростей
![рычаг переключения скоростей рычаг переключения скоростей]()
- рычаг рулевого управления
![рычаг рулевого управления рычаг рулевого управления]()
- рычаг управления коробки передач
![рычаг управления коробки передач рычаг управления коробки передач]()
- рычаг управления отвалом
![рычаг управления отвалом рычаг управления отвалом]()
- рычаг управления подачей топлива
![рычаг управления подачей топлива рычаг управления подачей топлива]()
- рычаг управления рыхлителем
![рычаг управления рыхлителем рычаг управления рыхлителем]()
- система электрическая
![система электрическая система электрическая]()
- сцепка буксирная
![сцепка буксирная сцепка буксирная]()
- Тормоз
![Тормоз Тормоз]()
- Тормоз 2
![Тормоз 2 Тормоз 2]()
- трубопровод бортового фрикциона
![трубопровод бортового фрикциона трубопровод бортового фрикциона]()
- трубопровод гидравлический (от бака к гидроцилиндру наклона)
![трубопровод гидравлический (от бака к гидроцилиндру наклона) трубопровод гидравлический (от бака к гидроцилиндру наклона)]()
- трубопровод гидравлический (от бака к гидроцилиндру наклона) 2
![трубопровод гидравлический (от бака к гидроцилиндру наклона) 2 трубопровод гидравлический (от бака к гидроцилиндру наклона) 2]()
- трубопровод гидравлический (от бака к гидроцилиндру подъема)
![трубопровод гидравлический (от бака к гидроцилиндру подъема) трубопровод гидравлический (от бака к гидроцилиндру подъема)]()
- трубопровод гидравлический (от бака к гидроцилиндру подъема) 2
![трубопровод гидравлический (от бака к гидроцилиндру подъема) 2 трубопровод гидравлический (от бака к гидроцилиндру подъема) 2]()
- трубопровод гидравлический (от бака к гидроцилиндру подъема) 3
![трубопровод гидравлический (от бака к гидроцилиндру подъема) 3 трубопровод гидравлический (от бака к гидроцилиндру подъема) 3]()
- трубопровод гидравлический (от бака к гидроцилиндру рыхлителю)
![трубопровод гидравлический (от бака к гидроцилиндру рыхлителю) трубопровод гидравлический (от бака к гидроцилиндру рыхлителю)]()
- трубопровод гидравлический (от бака к насосу)
![трубопровод гидравлический (от бака к насосу) трубопровод гидравлический (от бака к насосу)]()
- трубопровод гидрораспределителя и редукционного клапана
![трубопровод гидрораспределителя и редукционного клапана трубопровод гидрораспределителя и редукционного клапана]()
- трубопровод гидротрансформатора
![трубопровод гидротрансформатора трубопровод гидротрансформатора]()
- трубопровод гидротрансформатора 2
![трубопровод гидротрансформатора 2 трубопровод гидротрансформатора 2]()
- трубопровод гидротрансформатора 3
![трубопровод гидротрансформатора 3 трубопровод гидротрансформатора 3]()
- трубопровод масляного радиатора
![трубопровод масляного радиатора трубопровод масляного радиатора]()
- трубопровод топливный
![трубопровод топливный трубопровод топливный]()
- Фильтр трансмиссии масляный
![Фильтр трансмиссии масляный Фильтр трансмиссии масляный]()
- Фрикцион бортовой
![Фрикцион бортовой Фрикцион бортовой]()
- Шильдики
![Шильдики Шильдики]()
- Щиток ограждающий
![Щиток ограждающий Щиток ограждающий]()
- Электропроводка кабины
![Электропроводка кабины Электропроводка кабины]()

























































































