- Бренды спецтехники
-
SDLG
- Автогрейдеры SDLG
- Катки SDLG
-
Фронтальные погрузчики SDLG
- SDLG LG953N
- SDLG L956F
- SDLG L956FH
- SDLG LG936L NEW
- SDLG LG936L 2019
- SDLG LG953 NEW
- SDLG LG956V NEW
- SDLG LG952L
- SDLG LG933L
- SDLG LG953L
- SDLG LG936
- SDLG LG933
- SDLG LG952
- SDLG LG952H
- SDLG LG936L
- SDLG LG938
- SDLG LG938L
- SDLG LG952H NEW
- SDLG LG953
- SDLG LG956L
- SDLG LG958L
- SDLG LG968
- SDLG LG918 II
- SDLG LG918
- SDLG LG956V
- SDLG LG969
- SDLG LG944 MSK
- SDLG LG946L
- SDLG LG968F
- Экскаваторы SDLG
- Экскаваторы-погрузчики SDLG
-
China-Motors
- Автогрейдеры China-Motors
- Автокраны China-Motors
- Асфальтоукладчики China-Motors
- Бульдозеры China-Motors
- Катки China-Motors
-
Фронтальные погрузчики China-Motors
- China-Motors LW330F
- China-Motors LW300KN
- China-Motors LW500F
- China-Motors LW560F
- China-Motors ZL50G
- China-Motors LW300F (V2)
- China-Motors LW300F
- China-Motors ZL30G
- China-Motors LW321F
- China-Motors ZL50G NEW
- China-Motors ZL50GL
- China-Motors LW550RU
- China-Motors LW500FN
- China-Motors LW500KN
- China-Motors LW166
- Экскаваторы-погрузчики China-Motors
- Shantui
- XGMA
- Liugong
- SEM (Shandong)
- Changlin
- Doosan
- Hyundai
- Mitsuber
- Peng Pu
- Shehwa
- Yituo (Luoyang)
- Zoomlion
- Tota
- Long Gong
- Chenggong
- Lonking
- Foton
- Schopf
- YTO
- Типы спецтехники
- Бульдозеры
- Автокраны
- Асфальтоукладчики
- Грейдеры и Автогрейдеры
- Катки
- Фронтальные погрузчики
- Экскаваторы
- Экскаваторы-погрузчики
- Двигатели
- Стартеры для спецтехники
- Запчасти для Двигателей
- Huafengdongli
- Weichai
- Weichai-Deutz
- Cummins
- Shanghai
-
Yuchai
- Yuchai YC4112ZQ/ZLQ
- Yuchai YC4D (D0800)
- Yuchai YC4D80-T10(D7019)
- Yuchai YC4E140-30 (E24FB)
- Yuchai YC4G180-20 (G08LA)
- Yuchai YC6108G (B7615)
- Yuchai YC6B125-T10 (B7662)
- Yuchai YC6B125-T11 (B7615-T2)
- Yuchai YC6G240-30 (G60SA)
- Yuchai YC6J245-30 (J61LA)
- Yuchai YC6L260-30 (L41AA-T6)
- Yuchai YC6M220G (M3020)
- Yuchai YC4108G
- Yuchai YC6108,YC6J125Z
- КПП и Мосты
- Dana-Spicer
- Ремонт
- Техобслуживание спецтехники
- Ремонт спецтехники
Каталог запчастей на фронтальный погрузчик SEM 659B
- W050800080 Подъемный цилиндр

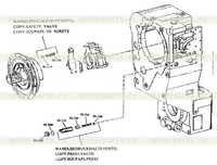
- Вспомогательный клапан рамы в сборе (G)

- Вход энергии

- Выход энергии

- Выход, задняя ось

- Выход, передняя ось

- Гидравлическая система коробки передач

- Гидравлическая система рулевого управления

- Главная коробка передач, Задняя ось

- Главная коробка передач, Передняя ось

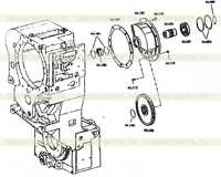
- Главный редуктор в сборе

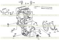
- Задняя ось в сборе
![Задняя ось в сборе Задняя ось в сборе]()
- Задняя рама в сборе
![Задняя рама в сборе Задняя рама в сборе]()
- Заливная горловина
![Заливная горловина Заливная горловина]()
- Индуктивный датчик
![Индуктивный датчик Индуктивный датчик]()
- Кнопка и приборная панель в сборе
![Кнопка и приборная панель в сборе Кнопка и приборная панель в сборе]()
- Кожух двигателя в сборе
![Кожух двигателя в сборе Кожух двигателя в сборе]()
- Колебательная рама в сборе
![Колебательная рама в сборе Колебательная рама в сборе]()
- Корпус страховочной оси
![Корпус страховочной оси Корпус страховочной оси]()
- Левая сторона пола и лестница в сборе
![Левая сторона пола и лестница в сборе Левая сторона пола и лестница в сборе]()
- Маслопровод
![Маслопровод Маслопровод]()
- Механизм акселератора
![Механизм акселератора Механизм акселератора]()
- Муфта сцепления
![Муфта сцепления Муфта сцепления]()
- Незакрепленные запчасти
![Незакрепленные запчасти Незакрепленные запчасти]()
- Ограничивающий скольжение дифференциал, задняя ось
![Ограничивающий скольжение дифференциал, задняя ось Ограничивающий скольжение дифференциал, задняя ось]()
- Ограничивающий скольжение дифференциал, передняя ось
![Ограничивающий скольжение дифференциал, передняя ось Ограничивающий скольжение дифференциал, передняя ось]()
- Ограничитель подъема и автоматическое выравнивание ковша
![Ограничитель подъема и автоматическое выравнивание ковша Ограничитель подъема и автоматическое выравнивание ковша]()
- Оси корпуса, передняя ось
![Оси корпуса, передняя ось Оси корпуса, передняя ось]()
- Отключение энергии
![Отключение энергии Отключение энергии]()
- Охлаждающая гидравлическая система
![Охлаждающая гидравлическая система Охлаждающая гидравлическая система]()
- Передняя рама в сборе
![Передняя рама в сборе Передняя рама в сборе]()
- Правая сторона пола и лестница в сборе
![Правая сторона пола и лестница в сборе Правая сторона пола и лестница в сборе]()
- Предохранительный клапан
![Предохранительный клапан Предохранительный клапан]()
- Промежуточный вал
![Промежуточный вал Промежуточный вал]()
- Противовес в сборе
![Противовес в сборе Противовес в сборе]()
- Прямая ось в сборе
![Прямая ось в сборе Прямая ось в сборе]()
- Рабочее оборудование в сборе
![Рабочее оборудование в сборе Рабочее оборудование в сборе]()
- Рабочее устройство гидравлической системы
![Рабочее устройство гидравлической системы Рабочее устройство гидравлической системы]()
- Рама приводного вала
![Рама приводного вала Рама приводного вала]()
- Система гидравлического вспомогательного клапана
![Система гидравлического вспомогательного клапана Система гидравлического вспомогательного клапана]()
- Система кабины водителя
![Система кабины водителя Система кабины водителя]()
- Система кондиционирования
![Система кондиционирования Система кондиционирования]()
- Система коробки передач
![Система коробки передач Система коробки передач]()
- Система охлаждения
![Система охлаждения Система охлаждения]()
- Система переключения передач
![Система переключения передач Система переключения передач]()
- Система ящика коробки передач
![Система ящика коробки передач Система ящика коробки передач]()
- Соединение двигателя
![Соединение двигателя Соединение двигателя]()
- Стояночный тормоз
![Стояночный тормоз Стояночный тормоз]()
- Суппорт в сборе
![Суппорт в сборе Суппорт в сборе]()
- Топливный бак в сборе
![Топливный бак в сборе Топливный бак в сборе]()
- Топливный бак двигателя в сборе
![Топливный бак двигателя в сборе Топливный бак двигателя в сборе]()
- Тормозная система
![Тормозная система Тормозная система]()
- Управление коробкой передач в сборе
![Управление коробкой передач в сборе Управление коробкой передач в сборе]()
- Управляющий центр в сборе
![Управляющий центр в сборе Управляющий центр в сборе]()
- Установка дизельного двигателя
![Установка дизельного двигателя Установка дизельного двигателя]()
- Фильтр, Аварийный рулевой насос, Спидометр
![Фильтр, Аварийный рулевой насос, Спидометр Фильтр, Аварийный рулевой насос, Спидометр]()
- Шина и обод в сборе
![Шина и обод в сборе Шина и обод в сборе]()
- Электрическая система
![Электрическая система Электрическая система]()














































