- Бренды спецтехники
-
SDLG
- Автогрейдеры SDLG
- Катки SDLG
-
Фронтальные погрузчики SDLG
- SDLG LG953N
- SDLG L956F
- SDLG L956FH
- SDLG LG936L NEW
- SDLG LG936L 2019
- SDLG LG953 NEW
- SDLG LG956V NEW
- SDLG LG952L
- SDLG LG933L
- SDLG LG953L
- SDLG LG936
- SDLG LG933
- SDLG LG952
- SDLG LG952H
- SDLG LG936L
- SDLG LG938
- SDLG LG938L
- SDLG LG952H NEW
- SDLG LG953
- SDLG LG956L
- SDLG LG958L
- SDLG LG968
- SDLG LG918 II
- SDLG LG918
- SDLG LG956V
- SDLG LG969
- SDLG LG944 MSK
- SDLG LG946L
- SDLG LG968F
- Экскаваторы SDLG
- Экскаваторы-погрузчики SDLG
-
China-Motors
- Автогрейдеры China-Motors
- Автокраны China-Motors
- Асфальтоукладчики China-Motors
- Бульдозеры China-Motors
- Катки China-Motors
-
Фронтальные погрузчики China-Motors
- China-Motors LW330F
- China-Motors LW300KN
- China-Motors LW500F
- China-Motors LW560F
- China-Motors ZL50G
- China-Motors LW300F (V2)
- China-Motors LW300F
- China-Motors ZL30G
- China-Motors LW321F
- China-Motors ZL50G NEW
- China-Motors ZL50GL
- China-Motors LW550RU
- China-Motors LW500FN
- China-Motors LW500KN
- China-Motors LW166
- Экскаваторы-погрузчики China-Motors
- Shantui
- XGMA
- Liugong
- SEM (Shandong)
- Changlin
- Doosan
- Hyundai
- Mitsuber
- Peng Pu
- Shehwa
- Yituo (Luoyang)
- Zoomlion
- Tota
- Long Gong
- Chenggong
- Lonking
- Foton
- Schopf
- YTO
- Типы спецтехники
- Бульдозеры
- Автокраны
- Асфальтоукладчики
- Грейдеры и Автогрейдеры
- Катки
- Фронтальные погрузчики
- Экскаваторы
- Экскаваторы-погрузчики
- Двигатели
- Стартеры для спецтехники
- Запчасти для Двигателей
- Huafengdongli
- Weichai
- Weichai-Deutz
- Cummins
- Shanghai
-
Yuchai
- Yuchai YC4112ZQ/ZLQ
- Yuchai YC4D (D0800)
- Yuchai YC4D80-T10(D7019)
- Yuchai YC4E140-30 (E24FB)
- Yuchai YC4G180-20 (G08LA)
- Yuchai YC6108G (B7615)
- Yuchai YC6B125-T10 (B7662)
- Yuchai YC6B125-T11 (B7615-T2)
- Yuchai YC6G240-30 (G60SA)
- Yuchai YC6J245-30 (J61LA)
- Yuchai YC6L260-30 (L41AA-T6)
- Yuchai YC6M220G (M3020)
- Yuchai YC4108G
- Yuchai YC6108,YC6J125Z
- КПП и Мосты
- Dana-Spicer
- Ремонт
- Техобслуживание спецтехники
- Ремонт спецтехники
Каталог запчастей на бульдозер Peng Pu PD165Y, PD165YS
- 1я муфта

- 2я и 3я муфты

- C-рама

- U-тип наклонной рамы

- Балансировочный брус

- Вал бортового редуктора и ступица

- Возвратная пружина

- Впуск в сборе

- Выпускной коллектор в сборе

- Гидравлический бак

- Гидравлический трубопровод (бак → цилиндр наклона)

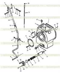
- Гидравлический трубопровод (бак → цилиндр подъема)
![Гидравлический трубопровод (бак → цилиндр подъема) Гидравлический трубопровод (бак → цилиндр подъема)]()
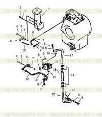
- Гидравлический трубопровод (гидравлический бак → цилиндр рыхлителя)
![Гидравлический трубопровод (гидравлический бак → цилиндр рыхлителя) Гидравлический трубопровод (гидравлический бак → цилиндр рыхлителя)]()
- Гидравлический трубопровод (клапан → клапан)
![Гидравлический трубопровод (клапан → клапан) Гидравлический трубопровод (клапан → клапан)]()
- Гидравлический трубопровод (клапан → масляный фильтр)
![Гидравлический трубопровод (клапан → масляный фильтр) Гидравлический трубопровод (клапан → масляный фильтр)]()
- Гидравлический трубопровод (клапан → насос)
![Гидравлический трубопровод (клапан → насос) Гидравлический трубопровод (клапан → насос)]()
- Гидравлический трубопровод (клапан → цилиндр подъема)
![Гидравлический трубопровод (клапан → цилиндр подъема) Гидравлический трубопровод (клапан → цилиндр подъема)]()
- Гидравлический трубопровод (насос → гидравлический бак)
![Гидравлический трубопровод (насос → гидравлический бак) Гидравлический трубопровод (насос → гидравлический бак)]()
- Гусеница
![Гусеница Гусеница]()
- Задняя защита
![Задняя защита Задняя защита]()
- Кабина водителя
![Кабина водителя Кабина водителя]()
- Катки
![Катки Катки]()
- Клапан рулевого управления
![Клапан рулевого управления Клапан рулевого управления]()
- Клапан управление рыхлителем
![Клапан управление рыхлителем Клапан управление рыхлителем]()
- Клапан управления коробкой передач
![Клапан управления коробкой передач Клапан управления коробкой передач]()
- Клапан управления лезвия в сборе
![Клапан управления лезвия в сборе Клапан управления лезвия в сборе]()
- Кожух двигателя и защита
![Кожух двигателя и защита Кожух двигателя и защита]()
- Коническая передача и вал
![Коническая передача и вал Коническая передача и вал]()
- Корпус бортового редуктора и звездочки
![Корпус бортового редуктора и звездочки Корпус бортового редуктора и звездочки]()
- Крепление двигателя
![Крепление двигателя Крепление двигателя]()
- Крепление преобразователя крутящего момента
![Крепление преобразователя крутящего момента Крепление преобразователя крутящего момента]()
- Крыло
![Крыло Крыло]()
- Крышка корпуса коробки передач
![Крышка корпуса коробки передач Крышка корпуса коробки передач]()
- Крышка рамы гусеницы
![Крышка рамы гусеницы Крышка рамы гусеницы]()
- Линия всасывания преобразователя крутящего момента
![Линия всасывания преобразователя крутящего момента Линия всасывания преобразователя крутящего момента]()
- Масляный фильтр
![Масляный фильтр Масляный фильтр]()
- Масляный фильтр коробки передач
![Масляный фильтр коробки передач Масляный фильтр коробки передач]()
- Масляный фильтр рулевого управления
![Масляный фильтр рулевого управления Масляный фильтр рулевого управления]()
- Механизм бортового редуктора
![Механизм бортового редуктора Механизм бортового редуктора]()
- Мощный сдвиг задней крышки трансмиссии
![Мощный сдвиг задней крышки трансмиссии Мощный сдвиг задней крышки трансмиссии]()
- Мощный сдвиг корпуса трансмиссии
![Мощный сдвиг корпуса трансмиссии Мощный сдвиг корпуса трансмиссии]()
- Несущий ролик
![Несущий ролик Несущий ролик]()
- Обратная муфта
![Обратная муфта Обратная муфта]()
- Отключение энергии
![Отключение энергии Отключение энергии]()
- Панель указателей
![Панель указателей Панель указателей]()
- Педаль замедлителя
![Педаль замедлителя Педаль замедлителя]()
- Педаль тормоза
![Педаль тормоза Педаль тормоза]()
- Под защитой
![Под защитой Под защитой]()
- Прямая муфта
![Прямая муфта Прямая муфта]()
- Прямой наклонный отвал
![Прямой наклонный отвал Прямой наклонный отвал]()
- Прямой наклонный отвал (PD165YG)
![Прямой наклонный отвал (PD165YG) Прямой наклонный отвал (PD165YG)]()
- Радиатор в сборе
![Радиатор в сборе Радиатор в сборе]()
- Рама ROPS
![Рама ROPS Рама ROPS]()
- Рама гусеницы
![Рама гусеницы Рама гусеницы]()
- Рельеф клапана и насос сборщика мусора
![Рельеф клапана и насос сборщика мусора Рельеф клапана и насос сборщика мусора]()
- Рулевая муфта
![Рулевая муфта Рулевая муфта]()
- Рулевой корпус и главная рама
![Рулевой корпус и главная рама Рулевой корпус и главная рама]()
- Рычаг переключения передач
![Рычаг переключения передач Рычаг переключения передач]()
- Рычаг рулевого управления
![Рычаг рулевого управления Рычаг рулевого управления]()
- Рычаг стояночного тормоза
![Рычаг стояночного тормоза Рычаг стояночного тормоза]()
- Рычаг управления коробки передач
![Рычаг управления коробки передач Рычаг управления коробки передач]()
- Рычаг управления топливом
![Рычаг управления топливом Рычаг управления топливом]()
- Сиденье оператора
![Сиденье оператора Сиденье оператора]()
- Сиденье цилиндров
![Сиденье цилиндров Сиденье цилиндров]()
- Смазочный клапан
![Смазочный клапан Смазочный клапан]()
- Соединение руля и тормоза
![Соединение руля и тормоза Соединение руля и тормоза]()
- Топливный бак
![Топливный бак Топливный бак]()
- Топливопровод
![Топливопровод Топливопровод]()
- Тормоз
![Тормоз Тормоз]()
- Трубопровод преобразователя крутящего момента
![Трубопровод преобразователя крутящего момента Трубопровод преобразователя крутящего момента]()
- Турбина и статор
![Турбина и статор Турбина и статор]()
- Тяговый брус
![Тяговый брус Тяговый брус]()
- Угловой поворотный отвал
![Угловой поворотный отвал Угловой поворотный отвал]()
- Универсальный шарнир
![Универсальный шарнир Универсальный шарнир]()
- Хвостовик рыхлителя, лучевой и связывающий
![Хвостовик рыхлителя, лучевой и связывающий Хвостовик рыхлителя, лучевой и связывающий]()
- Цилиндр наклона
![Цилиндр наклона Цилиндр наклона]()
- Цилиндр подъема лезвия
![Цилиндр подъема лезвия Цилиндр подъема лезвия]()
- Цилиндр рыхлителя
![Цилиндр рыхлителя Цилиндр рыхлителя]()
- Электрическая система
![Электрическая система Электрическая система]()
- Ящик и пол
![Ящик и пол Ящик и пол]()




































































