- Бренды спецтехники
-
SDLG
- Автогрейдеры SDLG
- Катки SDLG
-
Фронтальные погрузчики SDLG
- SDLG LG953N
- SDLG L956F
- SDLG L956FH
- SDLG LG936L NEW
- SDLG LG936L 2019
- SDLG LG953 NEW
- SDLG LG956V NEW
- SDLG LG952L
- SDLG LG933L
- SDLG LG953L
- SDLG LG936
- SDLG LG933
- SDLG LG952
- SDLG LG952H
- SDLG LG936L
- SDLG LG938
- SDLG LG938L
- SDLG LG952H NEW
- SDLG LG953
- SDLG LG956L
- SDLG LG958L
- SDLG LG968
- SDLG LG918 II
- SDLG LG918
- SDLG LG956V
- SDLG LG969
- SDLG LG944 MSK
- SDLG LG946L
- SDLG LG968F
- Экскаваторы SDLG
- Экскаваторы-погрузчики SDLG
-
China-Motors
- Автогрейдеры China-Motors
- Автокраны China-Motors
- Асфальтоукладчики China-Motors
- Бульдозеры China-Motors
- Катки China-Motors
-
Фронтальные погрузчики China-Motors
- China-Motors LW330F
- China-Motors LW300KN
- China-Motors LW500F
- China-Motors LW560F
- China-Motors ZL50G
- China-Motors LW300F (V2)
- China-Motors LW300F
- China-Motors ZL30G
- China-Motors LW321F
- China-Motors ZL50G NEW
- China-Motors ZL50GL
- China-Motors LW550RU
- China-Motors LW500FN
- China-Motors LW500KN
- China-Motors LW166
- Экскаваторы-погрузчики China-Motors
- Shantui
- XGMA
- Liugong
- SEM (Shandong)
- Changlin
- Doosan
- Hyundai
- Mitsuber
- Peng Pu
- Shehwa
- Yituo (Luoyang)
- Zoomlion
- Tota
- Long Gong
- Chenggong
- Lonking
- Foton
- Schopf
- YTO
- Типы спецтехники
- Бульдозеры
- Автокраны
- Асфальтоукладчики
- Грейдеры и Автогрейдеры
- Катки
- Фронтальные погрузчики
- Экскаваторы
- Экскаваторы-погрузчики
- Двигатели
- Стартеры для спецтехники
- Запчасти для Двигателей
- Huafengdongli
- Weichai
- Weichai-Deutz
- Cummins
- Shanghai
-
Yuchai
- Yuchai YC4112ZQ/ZLQ
- Yuchai YC4D (D0800)
- Yuchai YC4D80-T10(D7019)
- Yuchai YC4E140-30 (E24FB)
- Yuchai YC4G180-20 (G08LA)
- Yuchai YC6108G (B7615)
- Yuchai YC6B125-T10 (B7662)
- Yuchai YC6B125-T11 (B7615-T2)
- Yuchai YC6G240-30 (G60SA)
- Yuchai YC6J245-30 (J61LA)
- Yuchai YC6L260-30 (L41AA-T6)
- Yuchai YC6M220G (M3020)
- Yuchai YC4108G
- Yuchai YC6108,YC6J125Z
- КПП и Мосты
- Dana-Spicer
- Ремонт
- Техобслуживание спецтехники
- Ремонт спецтехники
Каталог запчастей на фронтальный погрузчик LIUGONG ZL50CN
- Воздушная камера в сборе 13C0009 004

- Воздушный резервуар 13C0373 000

- Входной вал 52C0139 003
- Гидравлическая система 15E0809 003

- Гидравлический масляный бак 21C0494 002

- Группа наклеек 45E0738 003

- Группа прямого привода 42C0096 000
- Группа таблички с названием 45E1233 002

- Группа турбины 52C0183 000

- Группа шайб
- Группа электропитания - Кабина 46C4659 004

- Дверь 42D0714 001
![Дверь 42D0714 001 Дверь 42D0714 001]()
- Дверь левая сторона 47C1290 002
![Дверь левая сторона 47C1290 002 Дверь левая сторона 47C1290 002]()
- Дверь правая сторона 47C1291 002
![Дверь правая сторона 47C1291 002 Дверь правая сторона 47C1291 002]()
- Держатель планетарной передачи 42C0349 001
![Держатель планетарной передачи 42C0349 001 Держатель планетарной передачи 42C0349 001]()
- Дозирующий насос 44C0005 000
![Дозирующий насос 44C0005 000 Дозирующий насос 44C0005 000]()
- Задний комбинированный свет 46C4905 001
![Задний комбинированный свет 46C4905 001 Задний комбинированный свет 46C4905 001]()
- Задний комбинированный свет 46C4906 001
![Задний комбинированный свет 46C4906 001 Задний комбинированный свет 46C4906 001]()
- Задняя ось 01E0045 012
![Задняя ось 01E0045 012 Задняя ось 01E0045 012]()
- Задняя рама в сборе 30E0936 000
![Задняя рама в сборе 30E0936 000 Задняя рама в сборе 30E0936 000]()
- Защита кабины водителя 41E0152 001
![Защита кабины водителя 41E0152 001 Защита кабины водителя 41E0152 001]()
- Зеркало заднего вида в сборе 41E0157 000
![Зеркало заднего вида в сборе 41E0157 000 Зеркало заднего вида в сборе 41E0157 000]()
- Испаритель в сборе 46C5490 001
![Испаритель в сборе 46C5490 001 Испаритель в сборе 46C5490 001]()
- Кабина водителя 41E0555 000
![Кабина водителя 41E0555 000 Кабина водителя 41E0555 000]()
- Клапан редуктора давления 12C0014 001
![Клапан редуктора давления 12C0014 001 Клапан редуктора давления 12C0014 001]()
- Клапан смены управления 12C2363 001
![Клапан смены управления 12C2363 001 Клапан смены управления 12C2363 001]()
- Клапан смены управления 12C2510 001
![Клапан смены управления 12C2510 001 Клапан смены управления 12C2510 001]()
- Ковш 32E1542 000
![Ковш 32E1542 000 Ковш 32E1542 000]()
- Кожух двигателя в сборе 44E0365 000
![Кожух двигателя в сборе 44E0365 000 Кожух двигателя в сборе 44E0365 000]()
- Комбинированный клапан 13C0374 001
![Комбинированный клапан 13C0374 001 Комбинированный клапан 13C0374 001]()
- Конденсатор 46C2543 000
![Конденсатор 46C2543 000 Конденсатор 46C2543 000]()
- Коническая передача 41C0002 012
![Коническая передача 41C0002 012 Коническая передача 41C0002 012]()
- Коническая передача в сборе 51C0061 010
![Коническая передача в сборе 51C0061 010 Коническая передача в сборе 51C0061 010]()
- Коробка передач
![Коробка передач Коробка передач]()
- Коробка передач и преобразователь крутящего момента в сборе 42C0778 001
![Коробка передач и преобразователь крутящего момента в сборе 42C0778 001 Коробка передач и преобразователь крутящего момента в сборе 42C0778 001]()
- Кронштейн компрессора 46C5397 001
![Кронштейн компрессора 46C5397 001 Кронштейн компрессора 46C5397 001]()
- Крыло левая сторона 43E0331 003
![Крыло левая сторона 43E0331 003 Крыло левая сторона 43E0331 003]()
- Крыло правая сторона 43E0332 003
![Крыло правая сторона 43E0332 003 Крыло правая сторона 43E0332 003]()
- Крышка в сборе 48C1053 004
![Крышка в сборе 48C1053 004 Крышка в сборе 48C1053 004]()
- Крышка сапуна 16C0044 000
![Крышка сапуна 16C0044 000 Крышка сапуна 16C0044 000]()
- Линии коробки передач и преобразователя крутящего момента 05E0270 000
- Линии коробки передач и преобразователя крутящего момента 05E0270(A)
![Линии коробки передач и преобразователя крутящего момента 05E0270(A) Линии коробки передач и преобразователя крутящего момента 05E0270(A)]()
- Линии коробки передач и преобразователя крутящего момента 05E0270(B)
![Линии коробки передач и преобразователя крутящего момента 05E0270(B) Линии коробки передач и преобразователя крутящего момента 05E0270(B)]()
- Линии охладителей 00C1779 000
![Линии охладителей 00C1779 000 Линии охладителей 00C1779 000]()
- Линии регулирующего клапана 00C1487 001
![Линии регулирующего клапана 00C1487 001 Линии регулирующего клапана 00C1487 001]()
- Линии рулевого управления 00C1775 000
![Линии рулевого управления 00C1775 000 Линии рулевого управления 00C1775 000]()
- Линии смазки 00C2510 000
![Линии смазки 00C2510 000 Линии смазки 00C2510 000]()
- Линии цилиндра наклона 00C1485 001
![Линии цилиндра наклона 00C1485 001 Линии цилиндра наклона 00C1485 001]()
- Линии цилиндра рулевого управления 00C1784 001
![Линии цилиндра рулевого управления 00C1784 001 Линии цилиндра рулевого управления 00C1784 001]()
- Линии цилиндра стрелы 00C1520 000
![Линии цилиндра стрелы 00C1520 000 Линии цилиндра стрелы 00C1520 000]()
- Линии цилиндра стрелы 00C1783 000
![Линии цилиндра стрелы 00C1783 000 Линии цилиндра стрелы 00C1783 000]()
- Насос в сборе 44C0852 000
![Насос в сборе 44C0852 000 Насос в сборе 44C0852 000]()
- Насос перемещения передачи 11C0718 002
![Насос перемещения передачи 11C0718 002 Насос перемещения передачи 11C0718 002]()
- Обод в сборе 51C0031 002
![Обод в сборе 51C0031 002 Обод в сборе 51C0031 002]()
- Обратный держатель планетарной передачи 42C0094 002
- Передний свет, левая сторона 46C0705 000
![Передний свет, левая сторона 46C0705 000 Передний свет, левая сторона 46C0705 000]()
- Передний свет, правая сторона 46C0704 000
![Передний свет, правая сторона 46C0704 000 Передний свет, правая сторона 46C0704 000]()
- Передняя ось в сборе 01E0173 008
![Передняя ось в сборе 01E0173 008 Передняя ось в сборе 01E0173 008]()
- Передняя рама в сборе 30E0507 005
![Передняя рама в сборе 30E0507 005 Передняя рама в сборе 30E0507 005]()
- Передняя рама смазочной линии 00C1047 002
![Передняя рама смазочной линии 00C1047 002 Передняя рама смазочной линии 00C1047 002]()
- Платформа 46C3692 000
![Платформа 46C3692 000 Платформа 46C3692 000]()
- Платформа в сборе 46C3693 004
![Платформа в сборе 46C3693 004 Платформа в сборе 46C3693 004]()
- Подключение батареи 46C4211 000
![Подключение батареи 46C4211 000 Подключение батареи 46C4211 000]()
- Позиционирование ковша 44C0002 000
![Позиционирование ковша 44C0002 000 Позиционирование ковша 44C0002 000]()
- Помощник и линии 00C2516 003
![Помощник и линии 00C2516 003 Помощник и линии 00C2516 003]()
- Предохранительный клапан 12C0011 001
![Предохранительный клапан 12C0011 001 Предохранительный клапан 12C0011 001]()
- Предохранительный клапан 12C0013 001
![Предохранительный клапан 12C0013 001 Предохранительный клапан 12C0013 001]()
- Предохранительный клапан 12C0017 000
![Предохранительный клапан 12C0017 000 Предохранительный клапан 12C0017 000]()
- Преобразователь крутящего момента 52C0002 013
![Преобразователь крутящего момента 52C0002 013 Преобразователь крутящего момента 52C0002 013]()
- Привод вала 41C0001 000
![Привод вала 41C0001 000 Привод вала 41C0001 000]()
- Привод вала 51C0054 000
![Привод вала 51C0054 000 Привод вала 51C0054 000]()
- Привод заднего вала 03E0014 000
![Привод заднего вала 03E0014 000 Привод заднего вала 03E0014 000]()
- Привод переднего вала 51C0002 001
![Привод переднего вала 51C0002 001 Привод переднего вала 51C0002 001]()
- Проверка клапана 12C1008 001
![Проверка клапана 12C1008 001 Проверка клапана 12C1008 001]()
- Противовес 27C0553-001-1.5T
![Противовес 27C0553-001-1.5T Противовес 27C0553-001-1.5T]()
- Разъем 31C0005 000
![Разъем 31C0005 000 Разъем 31C0005 000]()
- Разъем 31C0006 000
![Разъем 31C0006 000 Разъем 31C0006 000]()
- Регулировочный разъем 32C0395 001
![Регулировочный разъем 32C0395 001 Регулировочный разъем 32C0395 001]()
- Регулирующий клапан 12C0016 015
![Регулирующий клапан 12C0016 015 Регулирующий клапан 12C0016 015]()
- Регулирующий клапан в сборе 12C3016 000
- Рулевая колонка в сборе 44C0668 002
![Рулевая колонка в сборе 44C0668 002 Рулевая колонка в сборе 44C0668 002]()
- Рычаг управления в сборе 24C0964 000
![Рычаг управления в сборе 24C0964 000 Рычаг управления в сборе 24C0964 000]()
- Световая группа 46C5378 000
![Световая группа 46C5378 000 Световая группа 46C5378 000]()
- Сетчатый фильтр 12D0273 000
![Сетчатый фильтр 12D0273 000 Сетчатый фильтр 12D0273 000]()
- Сиденье в сборе 46E0031 002
![Сиденье в сборе 46E0031 002 Сиденье в сборе 46E0031 002]()
- Система двигателя 00E0963 000
![Система двигателя 00E0963 000 Система двигателя 00E0963 000]()
- Система кондиционирования 23E0312 008
![Система кондиционирования 23E0312 008 Система кондиционирования 23E0312 008]()
- Система охлаждения 00E0698 004
![Система охлаждения 00E0698 004 Система охлаждения 00E0698 004]()
- Система рабочего инструмента 32E1544 002
![Система рабочего инструмента 32E1544 002 Система рабочего инструмента 32E1544 002]()
- Система шайб 46C4014 001
![Система шайб 46C4014 001 Система шайб 46C4014 001]()
- Соединение 24C0008 000
![Соединение 24C0008 000 Соединение 24C0008 000]()
- Сочлененная петля 30E0805 003
![Сочлененная петля 30E0805 003 Сочлененная петля 30E0805 003]()
- Список спецификаций масла 47E0518 000
- Стояночная тормозная система 21E0082 000
![Стояночная тормозная система 21E0082 000 Стояночная тормозная система 21E0082 000]()
- Топливный бак в сборе 21C0457 001
![Топливный бак в сборе 21C0457 001 Топливный бак в сборе 21C0457 001]()
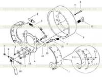
- Тормоз 13C0008 000
![Тормоз 13C0008 000 Тормоз 13C0008 000]()
- Тормозная система 20E0472 000
![Тормозная система 20E0472 000 Тормозная система 20E0472 000]()
- Тормозной клапан AS 13C0515 001
![Тормозной клапан AS 13C0515 001 Тормозной клапан AS 13C0515 001]()
- Тормозные линии 01E0325 000
![Тормозные линии 01E0325 000 Тормозные линии 01E0325 000]()
- Украшение в сборе 34C1806 002
![Украшение в сборе 34C1806 002 Украшение в сборе 34C1806 002]()
- Усилитель потока клапанов 12C2394 004
![Усилитель потока клапанов 12C2394 004 Усилитель потока клапанов 12C2394 004]()
- Усилитель потока линий клапанов 00C1780 001
![Усилитель потока линий клапанов 00C1780 001 Усилитель потока линий клапанов 00C1780 001]()
- Фильтр, Система двигателя
![Фильтр, Система двигателя Фильтр, Система двигателя]()
- Хомут 45C0004 003
![Хомут 45C0004 003 Хомут 45C0004 003]()
- Цилиндр наклона 10C0009 000
![Цилиндр наклона 10C0009 000 Цилиндр наклона 10C0009 000]()
- Цилиндр рулевого управления 10C0114 001
![Цилиндр рулевого управления 10C0114 001 Цилиндр рулевого управления 10C0114 001]()
- Цилиндр стрелы 10C0007 001
![Цилиндр стрелы 10C0007 001 Цилиндр стрелы 10C0007 001]()
- Шайба
- Шины и обода в сборе 51C0030 004
![Шины и обода в сборе 51C0030 004 Шины и обода в сборе 51C0030 004]()
- Шпиндель 24D0001 005
![Шпиндель 24D0001 005 Шпиндель 24D0001 005]()
- Шпиндель 24D0002 002
![Шпиндель 24D0002 002 Шпиндель 24D0002 002]()
- Электрическая система 22E1117 001
- Электропроводка задней рамы 46C4856 003
![Электропроводка задней рамы 46C4856 003 Электропроводка задней рамы 46C4856 003]()
- Электропроводка кабины водителя 46C4805 000
![Электропроводка кабины водителя 46C4805 000 Электропроводка кабины водителя 46C4805 000]()
- Электропроводка передней рамы 46C4220 003
![Электропроводка передней рамы 46C4220 003 Электропроводка передней рамы 46C4220 003]()
- Электропроводка плафона 46C4915 000
![Электропроводка плафона 46C4915 000 Электропроводка плафона 46C4915 000]()
- Ящик консоли 46C4806 002
![Ящик консоли 46C4806 002 Ящик консоли 46C4806 002]()
- Ящик консоли 47C0108 002
![Ящик консоли 47C0108 002 Ящик консоли 47C0108 002]()




































































































