- Бренды спецтехники
-
SDLG
- Автогрейдеры SDLG
- Катки SDLG
-
Фронтальные погрузчики SDLG
- SDLG LG953N
- SDLG L956F
- SDLG L956FH
- SDLG LG936L NEW
- SDLG LG936L 2019
- SDLG LG953 NEW
- SDLG LG956V NEW
- SDLG LG952L
- SDLG LG933L
- SDLG LG953L
- SDLG LG936
- SDLG LG933
- SDLG LG952
- SDLG LG952H
- SDLG LG936L
- SDLG LG938
- SDLG LG938L
- SDLG LG952H NEW
- SDLG LG953
- SDLG LG956L
- SDLG LG958L
- SDLG LG968
- SDLG LG918 II
- SDLG LG918
- SDLG LG956V
- SDLG LG969
- SDLG LG944 MSK
- SDLG LG946L
- SDLG LG968F
- Экскаваторы SDLG
- Экскаваторы-погрузчики SDLG
-
China-Motors
- Автогрейдеры China-Motors
- Автокраны China-Motors
- Асфальтоукладчики China-Motors
- Бульдозеры China-Motors
- Катки China-Motors
-
Фронтальные погрузчики China-Motors
- China-Motors LW330F
- China-Motors LW300KN
- China-Motors LW500F
- China-Motors LW560F
- China-Motors ZL50G
- China-Motors LW300F (V2)
- China-Motors LW300F
- China-Motors ZL30G
- China-Motors LW321F
- China-Motors ZL50G NEW
- China-Motors ZL50GL
- China-Motors LW550RU
- China-Motors LW500FN
- China-Motors LW500KN
- China-Motors LW166
- Экскаваторы-погрузчики China-Motors
- Shantui
- XGMA
- Liugong
- SEM (Shandong)
- Changlin
- Doosan
- Hyundai
- Mitsuber
- Peng Pu
- Shehwa
- Yituo (Luoyang)
- Zoomlion
- Tota
- Long Gong
- Chenggong
- Lonking
- Foton
- Schopf
- YTO
- Типы спецтехники
- Бульдозеры
- Автокраны
- Асфальтоукладчики
- Грейдеры и Автогрейдеры
- Катки
- Фронтальные погрузчики
- Экскаваторы
- Экскаваторы-погрузчики
- Двигатели
- Стартеры для спецтехники
- Запчасти для Двигателей
- Huafengdongli
- Weichai
- Weichai-Deutz
- Cummins
- Shanghai
-
Yuchai
- Yuchai YC4112ZQ/ZLQ
- Yuchai YC4D (D0800)
- Yuchai YC4D80-T10(D7019)
- Yuchai YC4E140-30 (E24FB)
- Yuchai YC4G180-20 (G08LA)
- Yuchai YC6108G (B7615)
- Yuchai YC6B125-T10 (B7662)
- Yuchai YC6B125-T11 (B7615-T2)
- Yuchai YC6G240-30 (G60SA)
- Yuchai YC6J245-30 (J61LA)
- Yuchai YC6L260-30 (L41AA-T6)
- Yuchai YC6M220G (M3020)
- Yuchai YC4108G
- Yuchai YC6108,YC6J125Z
- КПП и Мосты
- Dana-Spicer
- Ремонт
- Техобслуживание спецтехники
- Ремонт спецтехники
- Главная
- Каталог
- Бренды
- China-Motors
- WZ30-25 New
Каталог запчастей на экскаватор-погрузчик WZ30-25 New
- Бак

- Ведущий вал в сборе

- Гидравлическая система коробки передач

- Гидравлическая система очистки

- Гидравлическая система погрузчика

- Гидравлическая система рулевого управления

- Главный воздушный блок

- Глушитель

- Диаграмма очистки воздуха

- Заднее шасси

- Задняя главная коробка передач в сборе

- Кабина в сборе
![Кабина в сборе Кабина в сборе]()
- Капот
![Капот Капот]()
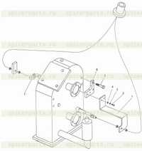
- Кронштейн компрессора
![Кронштейн компрессора Кронштейн компрессора]()
- Ножная гидравлическая система
![Ножная гидравлическая система Ножная гидравлическая система]()
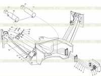
- Передний шасси в сборе
![Передний шасси в сборе Передний шасси в сборе]()
- Передняя задняя ось в сборе
![Передняя задняя ось в сборе Передняя задняя ось в сборе]()
- Планетарный редуктор в сборе
![Планетарный редуктор в сборе Планетарный редуктор в сборе]()
- Преобразователь крутящего момента в сборе
![Преобразователь крутящего момента в сборе Преобразователь крутящего момента в сборе]()
- Рабочее устройство гидравлической системы
![Рабочее устройство гидравлической системы Рабочее устройство гидравлической системы]()
- Рабочее устройство гидравлической системы 2
![Рабочее устройство гидравлической системы 2 Рабочее устройство гидравлической системы 2]()
- Рабочее устройство копания
![Рабочее устройство копания Рабочее устройство копания]()
- Рабочее устройство погрузчика
![Рабочее устройство погрузчика Рабочее устройство погрузчика]()
- Рабочий масляный бак
![Рабочий масляный бак Рабочий масляный бак]()
- Регулятор клапанов в сборе
![Регулятор клапанов в сборе Регулятор клапанов в сборе]()
- Регулятор тормоза
![Регулятор тормоза Регулятор тормоза]()
- Силовая установка
![Силовая установка Силовая установка]()
- Система гидравлического вспомогательного клапана
![Система гидравлического вспомогательного клапана Система гидравлического вспомогательного клапана]()
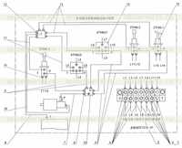
- Система двигателя
![Система двигателя Система двигателя]()
- Система двигателя 2
![Система двигателя 2 Система двигателя 2]()
- Стояночная тормозная система
![Стояночная тормозная система Стояночная тормозная система]()
- Топливный масляный бак
![Топливный масляный бак Топливный масляный бак]()
- Тормоз в сборе
![Тормоз в сборе Тормоз в сборе]()
- Тормозная система
![Тормозная система Тормозная система]()
- Шина и обод в сборе
![Шина и обод в сборе Шина и обод в сборе]()























