- Бренды спецтехники
- 
        SDLG
        - Автогрейдеры SDLG
- Катки SDLG
- 
        Фронтальные погрузчики SDLG
        - SDLG LG953N
- SDLG L956F
- SDLG L956FH
- SDLG LG936L NEW
- SDLG LG936L 2019
- SDLG LG953 NEW
- SDLG LG956V NEW
- SDLG LG952L
- SDLG LG933L
- SDLG LG953L
- SDLG LG936
- SDLG LG933
- SDLG LG952
- SDLG LG952H
- SDLG LG936L
- SDLG LG938
- SDLG LG938L
- SDLG LG952H NEW
- SDLG LG953
- SDLG LG956L
- SDLG LG958L
- SDLG LG968
- SDLG LG918 II
- SDLG LG918
- SDLG LG956V
- SDLG LG969
- SDLG LG944 MSK
- SDLG LG946L
- SDLG LG968F
 
- Экскаваторы SDLG
- Экскаваторы-погрузчики SDLG
 
- 
        China-Motors
        - Автогрейдеры China-Motors
- Автокраны China-Motors
- Асфальтоукладчики China-Motors
- Бульдозеры China-Motors
- Катки China-Motors
- 
        Фронтальные погрузчики China-Motors
        - China-Motors LW330F
- China-Motors LW300KN
- China-Motors LW500F
- China-Motors LW560F
- China-Motors ZL50G
- China-Motors LW300F (V2)
- China-Motors LW300F
- China-Motors ZL30G
- China-Motors LW321F
- China-Motors ZL50G NEW
- China-Motors ZL50GL
- China-Motors LW550RU
- China-Motors LW500FN
- China-Motors LW500KN
- China-Motors LW166
 
- Экскаваторы-погрузчики China-Motors
 
- Shantui
- XGMA
- Liugong
- SEM (Shandong)
- Changlin
- Doosan
- Hyundai
- Mitsuber
- Peng Pu
- Shehwa
- Yituo (Luoyang)
- Zoomlion
- Tota
- Long Gong
- Chenggong
- Lonking
- Foton
- Schopf
- YTO
- Типы спецтехники
- Бульдозеры
- Автокраны
- Асфальтоукладчики
- Грейдеры и Автогрейдеры
- Катки
- Фронтальные погрузчики
- Экскаваторы
- Экскаваторы-погрузчики
- Двигатели
- Стартеры для спецтехники
- Запчасти для Двигателей
- Huafengdongli
- Weichai
- Weichai-Deutz
- Cummins
- Shanghai
- 
        Yuchai
        - Yuchai YC4112ZQ/ZLQ
- Yuchai YC4D (D0800)
- Yuchai YC4D80-T10(D7019)
- Yuchai YC4E140-30 (E24FB)
- Yuchai YC4G180-20 (G08LA)
- Yuchai YC6108G (B7615)
- Yuchai YC6B125-T10 (B7662)
- Yuchai YC6B125-T11 (B7615-T2)
- Yuchai YC6G240-30 (G60SA)
- Yuchai YC6J245-30 (J61LA)
- Yuchai YC6L260-30 (L41AA-T6)
- Yuchai YC6M220G (M3020)
- Yuchai YC4108G
- Yuchai YC6108,YC6J125Z
 
- КПП и Мосты
- Dana-Spicer
- Ремонт
- Техобслуживание спецтехники
- Ремонт спецтехники
Каталог запчастей на фронтальный погрузчик Chenggong CG935G
- Аккумулятор Z35G0901T8 
- Безопасная поддержка цилиндра подъема Z35G19T4 
- Блок клапанов Z35G0903T8 
- Блок рулевого управления BZZ5-630(FK-/20) 
- Вентилятор капота в сборе Z35G0102T4 
- Всасывающие трубки Z35G0801T8 
- Входная система Z35G0105T4 
- Выпускное отверстие в сборе Z35G0104T4 
- Гидравлический масляный бак Z35G1001T8 
- Глушитель XH-G404X-W 
- Группа рамы Z35G12T8 
- Двигатель в сборе Z35G01T4![Двигатель в сборе Z35G01T4 Двигатель в сборе Z35G01T4]() 
- Держатель переднего суппорта Z300502 и Держатель заднего суппорта Z300503![Держатель переднего суппорта Z300502 и Держатель заднего суппорта Z300503 Держатель переднего суппорта Z300502 и Держатель заднего суппорта Z300503]() 
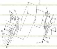
- Дифференциал Z40F0501, Z40F0601![Дифференциал Z40F0501, Z40F0601 Дифференциал Z40F0501, Z40F0601]() 
- Задняя ось (I) Z40F05 и Передняя ось Z40F06![Задняя ось (I) Z40F05 и Передняя ось Z40F06 Задняя ось (I) Z40F05 и Передняя ось Z40F06]() 
- Замок в сборе GMS502![Замок в сборе GMS502 Замок в сборе GMS502]() 
- Защитный обтекатель Z35G010202T4![Защитный обтекатель Z35G010202T4 Защитный обтекатель Z35G010202T4]() 
- Инструмент Z35G14T4![Инструмент Z35G14T4 Инструмент Z35G14T4]() 
- Испаритель YTCG35H/2-81030000![Испаритель YTCG35H/2-81030000 Испаритель YTCG35H/2-81030000]() 
- Кабина водителя Z35G13T8![Кабина водителя Z35G13T8 Кабина водителя Z35G13T8]() 
- Клапан 06-463-230![Клапан 06-463-230 Клапан 06-463-230]() 
- Клапан 06-466-210![Клапан 06-466-210 Клапан 06-466-210]() 
- Клапан Z35G1003T8![Клапан Z35G1003T8 Клапан Z35G1003T8]() 
- Клапан в сборе Z35G0802T8![Клапан в сборе Z35G0802T8 Клапан в сборе Z35G0802T8]() 
- Клапан в сборе Z35G0902T8![Клапан в сборе Z35G0902T8 Клапан в сборе Z35G0902T8]() 
- Клапан педали тормоза в сборе Z35C0901![Клапан педали тормоза в сборе Z35C0901 Клапан педали тормоза в сборе Z35C0901]() 
- Левый цилиндр подъема в сборе Z35C1011![Левый цилиндр подъема в сборе Z35C1011 Левый цилиндр подъема в сборе Z35C1011]() 
- Маслопровод Z35G0113T4![Маслопровод Z35G0113T4 Маслопровод Z35G0113T4]() 
- Масляная линия коробки передач и контрольная система Z35G04T4![Масляная линия коробки передач и контрольная система Z35G04T4 Масляная линия коробки передач и контрольная система Z35G04T4]() 
- Многоходовой переключающий клапан Z35C1002
- Насос QC16/17-D14![Насос QC16/17-D14 Насос QC16/17-D14]() 
- Обод в сборе![Обод в сборе Обод в сборе]() 
- Очиститель воздуха в сборе A631![Очиститель воздуха в сборе A631 Очиститель воздуха в сборе A631]() 
- Поддержка клапанов Z35C0803![Поддержка клапанов Z35C0803 Поддержка клапанов Z35C0803]() 
- Подъемный цилиндр zl35g120-70h.00![Подъемный цилиндр zl35g120-70h.00 Подъемный цилиндр zl35g120-70h.00]() 
- Правая дверь Z50E130103T38 и левая дверь Z50E130102T38![Правая дверь Z50E130103T38 и левая дверь Z50E130102T38 Правая дверь Z50E130103T38 и левая дверь Z50E130102T38]() 
- Правый и левый рулевые цилиндры в сборе Z35C1010![Правый и левый рулевые цилиндры в сборе Z35C1010 Правый и левый рулевые цилиндры в сборе Z35C1010]() 
- Преобразователь крутящего момента коробки передач Z35G03T3![Преобразователь крутящего момента коробки передач Z35G03T3 Преобразователь крутящего момента коробки передач Z35G03T3]() 
- Привод заднего вала Z35G11T3![Привод заднего вала Z35G11T3 Привод заднего вала Z35G11T3]() 
- Привод переднего вала Z35G07T3![Привод переднего вала Z35G07T3 Привод переднего вала Z35G07T3]() 
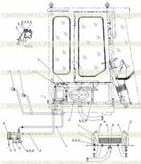
- Радиатор Z35G(P)-37-010(CG)![Радиатор Z35G(P)-37-010(CG) Радиатор Z35G(P)-37-010(CG)]() 
- Редуктор ступицы Z300602![Редуктор ступицы Z300602 Редуктор ступицы Z300602]() 
- Рукоятка в сборе gms502c.00-00![Рукоятка в сборе gms502c.00-00 Рукоятка в сборе gms502c.00-00]() 
- Ручка трубы в сборе Z35G1002T8![Ручка трубы в сборе Z35G1002T8 Ручка трубы в сборе Z35G1002T8]() 
- Система гидравлического инструмента Z35G10T8![Система гидравлического инструмента Z35G10T8 Система гидравлического инструмента Z35G10T8]() 
- Система кондиционирования Z35G17T4![Система кондиционирования Z35G17T4 Система кондиционирования Z35G17T4]() 
- Система охлаждения Z35C0102![Система охлаждения Z35C0102 Система охлаждения Z35C0102]() 
- Система рулевого управления Z35G08T8![Система рулевого управления Z35G08T8 Система рулевого управления Z35G08T8]() 
- Система торможения Z35G09T8![Система торможения Z35G09T8 Система торможения Z35G09T8]() 
- Топливный бак Z35G0101T4![Топливный бак Z35G0101T4 Топливный бак Z35G0101T4]() 
- Уплотнитель в сборе YTCG50E-II-81010000![Уплотнитель в сборе YTCG50E-II-81010000 Уплотнитель в сборе YTCG50E-II-81010000]() 
- Управление трансмиссией и мягкий вал YSF-25![Управление трансмиссией и мягкий вал YSF-25 Управление трансмиссией и мягкий вал YSF-25]() 
- Фильтр SFM-679A![Фильтр SFM-679A Фильтр SFM-679A]() 
- Цилиндр наклона zl35g140-75h.00![Цилиндр наклона zl35g140-75h.00 Цилиндр наклона zl35g140-75h.00]() 
- Цилиндр наклона в сборе Z35C1012![Цилиндр наклона в сборе Z35C1012 Цилиндр наклона в сборе Z35C1012]() 
- Цилиндр рулевого управления zl35f80-45.00![Цилиндр рулевого управления zl35f80-45.00 Цилиндр рулевого управления zl35f80-45.00]() 
- Электрические компоненты ZL35G15T8![Электрические компоненты ZL35G15T8 Электрические компоненты ZL35G15T8]() 
- Ящик консоли в сборе Z35G1306T8![Ящик консоли в сборе Z35G1306T8 Ящик консоли в сборе Z35G1306T8]() 














































 
                     
                     
                     
                     
                     
                     
                     
                     
                     
                     
                     
                     
                     
                    